EasyManua.ls Logo

Rockwell Automation Allen-Bradley Kinetix 300

Rockwell Automation Allen-Bradley Kinetix 300
75 pages
To Next Page IconTo Next Page
To Next Page IconTo Next Page
To Previous Page IconTo Previous Page
To Previous Page IconTo Previous Page
Loading...
Rockwell Automation Publication 2198-RM004C-EN-P - March 2022 55
Chapter 4 Dimensions, Cables, and Wiring
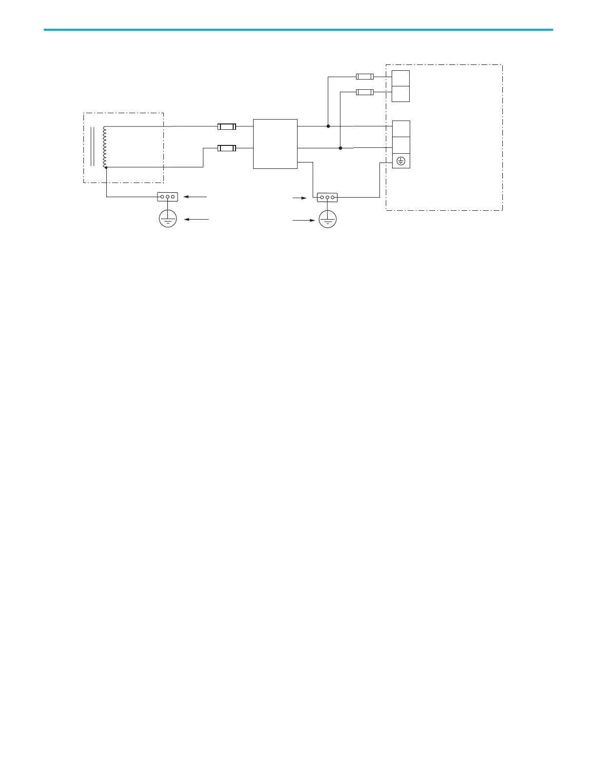
Figure 31 - Kinetix 5100 Drive Single-phase (230V) Grounded Power Configuration
L2
L1 (Neutral)
L2
L1N
L2
L1N
L2
L1
E
L1C
L2C
Transformer Secondary
Bonded Cabinet Ground Bus
Ground Grid or Power
Distribution Ground
AC Line Filter
230V AC
Output
Circuit
Protection
Mains AC Input Power
Connector
Control AC Input Power
Connector
Circuit
Protection
2198-E1004-ERS, 2198-E1007-ERS, 2198-
E1015-ERS, and 2198-E1020-ERS
Drives with Single-phase Operation

Table of Contents

Related product manuals