EasyManua.ls Logo

Rockwell Automation Allen-Bradley Kinetix 300

Rockwell Automation Allen-Bradley Kinetix 300
75 pages
To Next Page IconTo Next Page
To Next Page IconTo Next Page
To Previous Page IconTo Previous Page
To Previous Page IconTo Previous Page
Loading...
54 Rockwell Automation Publication 2198-RM004C-EN-P - March 2022
Chapter 4 Dimensions, Cables, and Wiring
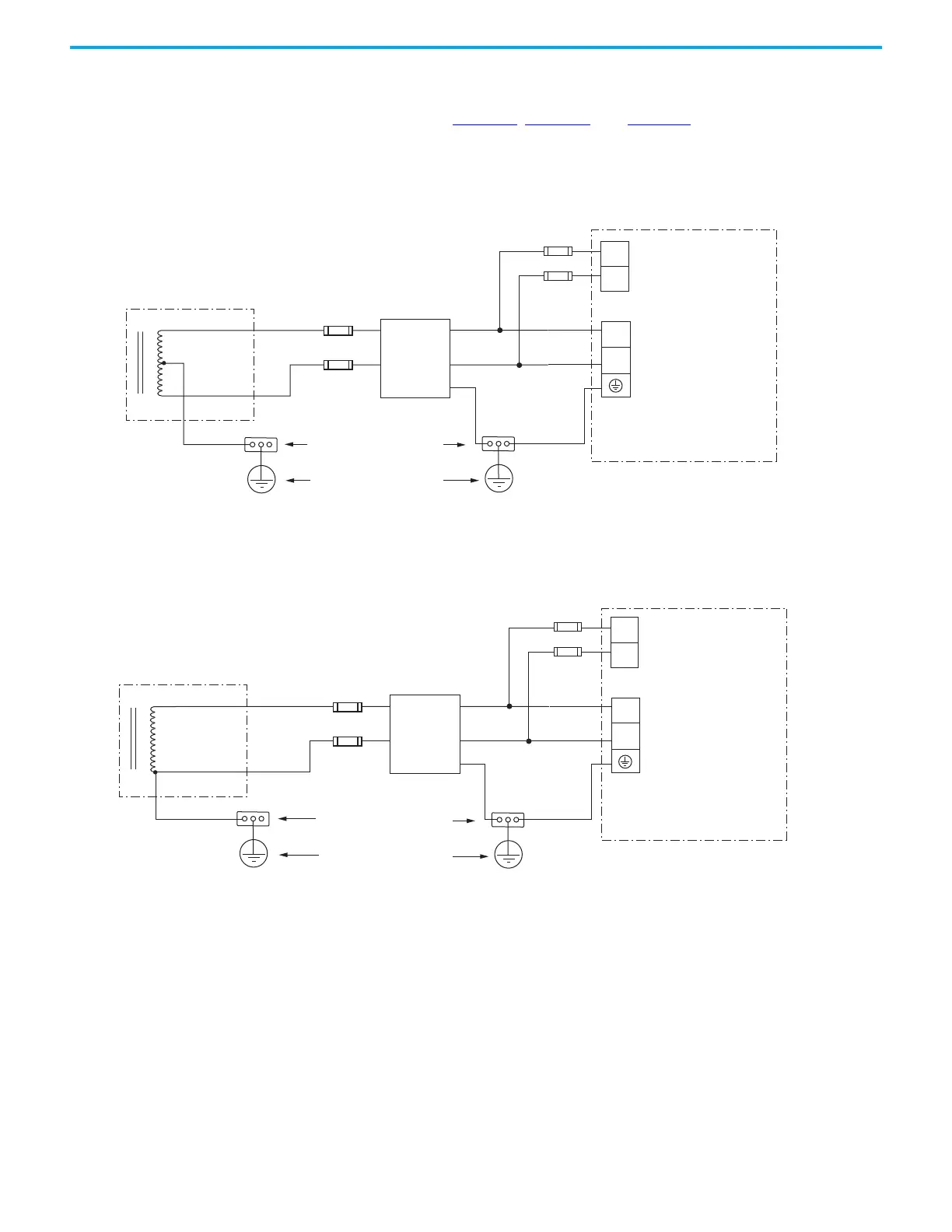
Single-phase Power Wired to Single-phase Kinetix 5100 Drives
The examples in Figure 29, Figure 30, and Figure 31 illustrate grounded single-
phase power that is wired to single-phase Kinetix 5100 drives when phase-to-
phase voltage is within drive specifications.
Figure 29 - Kinetix 5100 Drive Single-phase (200…230V) Grounded Power Configuration
Figure 30 - Kinetix 5100 Drive Single-phase (120V) Grounded Power Configuration
L2
L1
L2
L1
L2
L1
L2
L1
E
L1C
L2C
Transformer Secondary
Bonded Cabinet Ground Bus
Ground Grid or Power
Distribution Ground
AC Line
Filter
200…230V AC
Output
Circuit
Protection
Circuit
Protection
Mains AC Input Power
Connector
Control AC Input Power
Connector
2198-E1004-ERS, 2198-E1007-ERS, 2198-
E1015-ERS, and 2198-E1020-ERS
Drives with Single-phase Operation
Reducing the transformer output reduces motor speed. Feeder and branch short-circuit protection is not illustrated.
L2
L1 (Neutral)
L2
L1N
L2
L1N
L2
L1
E
L1C
L2C
Bonded Cabinet Ground Bus
Ground Grid or Power
Distribution Ground
AC Line
Filter
Circuit
Protection
Circuit
Protection
Mains AC Input Power
Connector
Control AC Input Power
Connector
2198-E1004-ERS, 2198-E1007-ERS, 2198-
E1015-ERS, and 2198-E1020-ERS
Drives with Single-phase Operation
Transformer Secondary
120V AC
Output

Table of Contents

Related product manuals