EasyManua.ls Logo

Salus PCSol 201 - 17.4. Solar Application scheme D

Salus PCSol 201
56 pages
Print Icon
To Next Page IconTo Next Page
To Next Page IconTo Next Page
To Previous Page IconTo Previous Page
To Previous Page IconTo Previous Page
Loading...
37
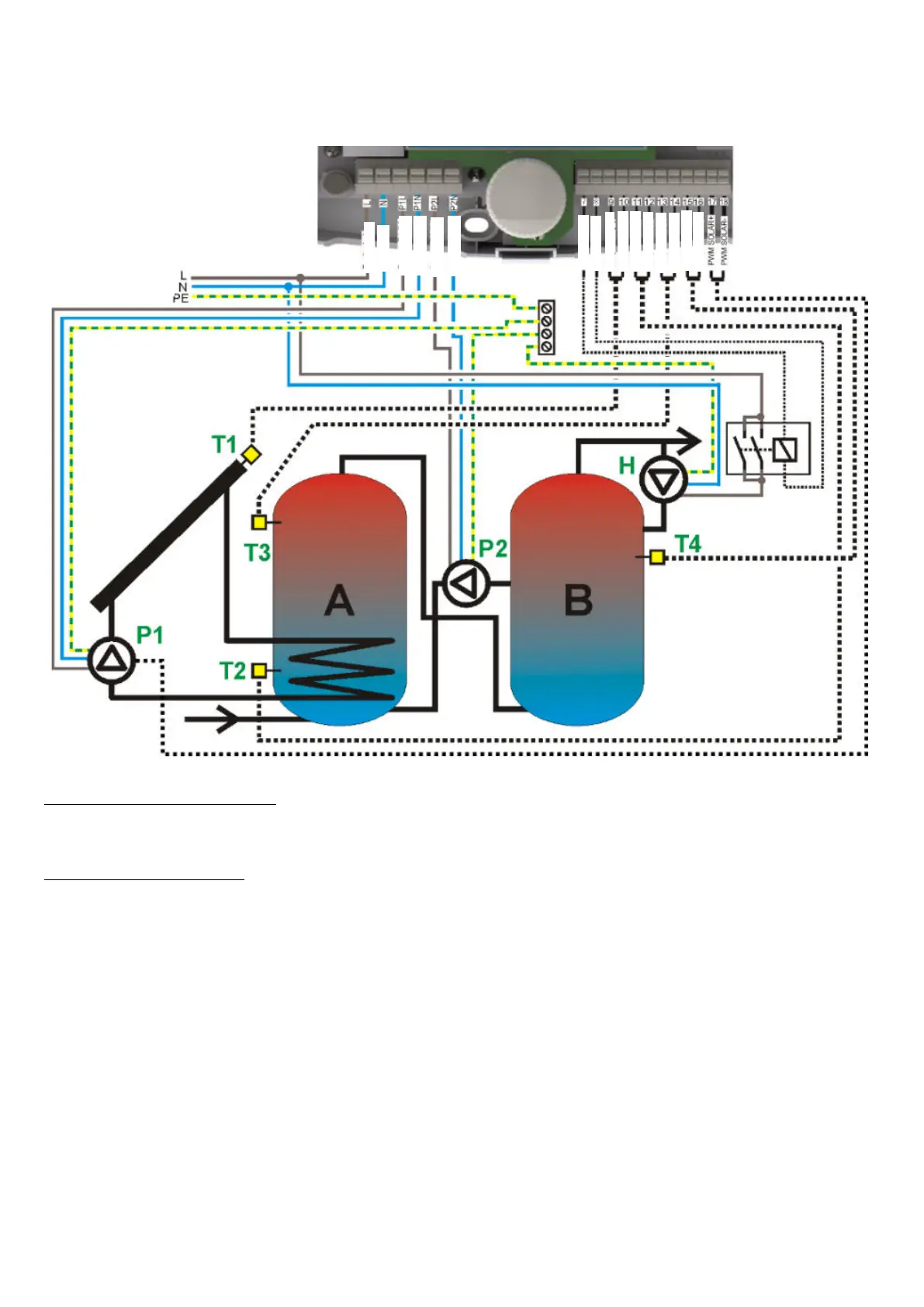
17.4. Solar Application scheme D
Loading of DHW reservoir from a solar panel and transfer of accumulated heat to the reservoir B.
Fig. 17.4 Application scheme D
Installation recommendations
1. This scheme requires two additional CT6 sensors.
2. Connect the circulation pump to the H output via the relay. It is necessary to use a relay type
6VDC RM85-2021-35-1006.
Setting recommendations
1. Do not set HP2 value higher or equal to dTAB, because this will prevent loading stop when dTAB
value is reached.
2. With respect to night cooling mode used for the container A and circulation activation for better
discharge of the container, it is recommended that circulation circuit is installed in the container A.
Mains 230~
Supply L
Supply N
Pump P1 [N]
Pump P1 [L]
Pump P2 [L]
Pump P2 [N]
Sensor T1 [+]
Sensor T1 [-]
Sensor T2 [+]
Sensor T2 [-]
Sensor T3 [+]
Sensor T3 [-]
Sensor T4 [+]
Sensor T4 [-]
Output H [+]
Output H [-]

Table of Contents

Related product manuals