EasyManua.ls Logo

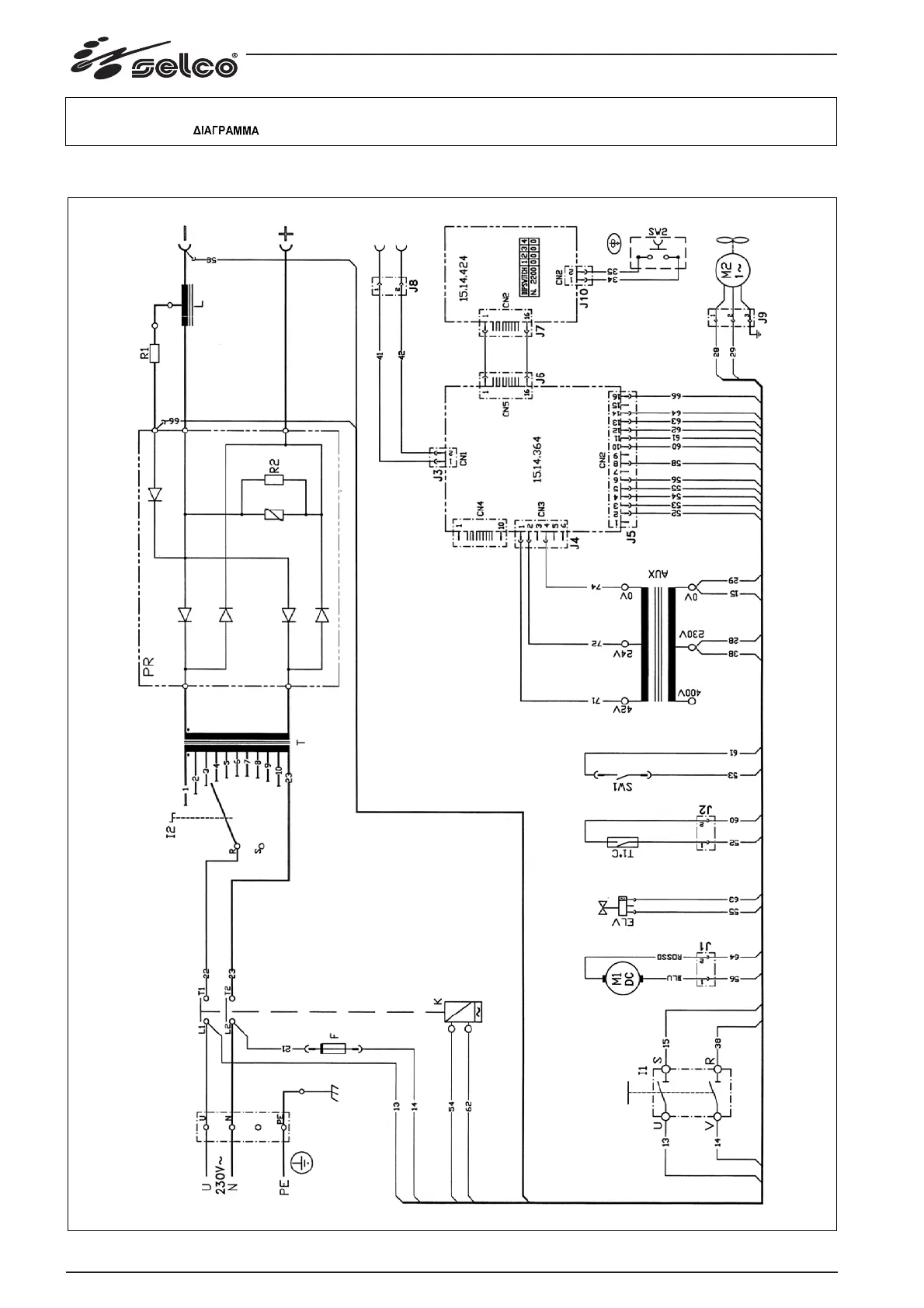
Selco NEOMIG 2000 - NEOMIG 2200 Schematic Diagram

Default Icon
Print Icon
To Next Page IconTo Next Page
To Next Page IconTo Next Page
To Previous Page IconTo Previous Page
To Previous Page IconTo Previous Page
Loading...
150
Schema, Diagram, Schaltplan, Schéma, Esquema, Diagrama, Schema, kopplingsschema, Oversigt, Skjema,
Kytkentäkaavio,
NEOMIG 2200

Table of Contents

Related product manuals