EasyManua.ls Logo

Siemens SIMATIC ET 200M - Page 55

Siemens SIMATIC ET 200M
274 pages
To Next Page IconTo Next Page
To Next Page IconTo Next Page
To Previous Page IconTo Previous Page
To Previous Page IconTo Previous Page
Loading...
Assignment planning
3.6 Configuring the electrical structure
ET 200M
Operating Instructions, 12/2008, EWA-4NEB780600602-08
53
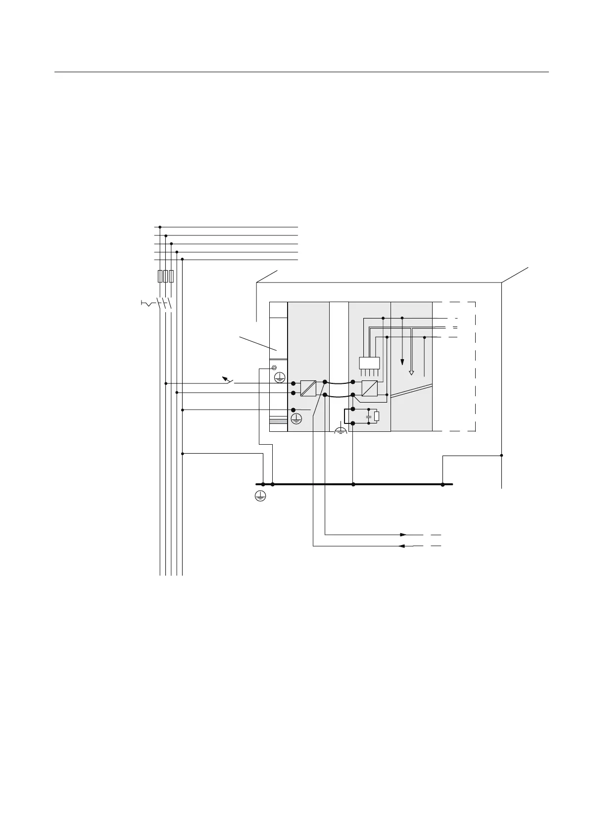
ET 200M with load power supply from the PS 307
The following figure shows the position of the ET 200M in the overall configuration (load
power supply and grounding concept) with a supply from a TN-S-network.
Alongside the IM 153-x, the PS 307 also supplies the load circuit for the 24 V DC modules.
Note: The arrangement shown of the supply connections does not correspond to the actual
arrangement; it has been chosen for reasons of clarity.
,0[
w3
60)0
1
0
/
/
0
36
/
/
/
1

3(
/RZYROWDJHGLVWULEXWLRQ
HJ716V\VWHP[9
&DELQHW
0RXQWLQJUDLO
6PRGXOHV
*URXQGEXVLQFDELQHW
/RDGFLUFXLW9'&IRU
LVRODWHGPRGXOHV
Figure 3-11 Operating S7-300 modules from the PS 307

Table of Contents

Other manuals for Siemens SIMATIC ET 200M

Related product manuals