EasyManua.ls Logo

Siemens SINAMICS S120 - Application Examples; Safe Standstill with Locked Protective Door (Emergency Stop Shutdown)

Siemens SINAMICS S120
294 pages
To Next Page IconTo Next Page
To Next Page IconTo Next Page
To Previous Page IconTo Previous Page
To Previous Page IconTo Previous Page
Loading...
SINAMICS Safety Integrated (Booksize)
Application examples
5-172
E Siemens AG, 2004. All rights reserved
SINAMICS S120 Installation and Start-Up Manual, 12/04 Edition
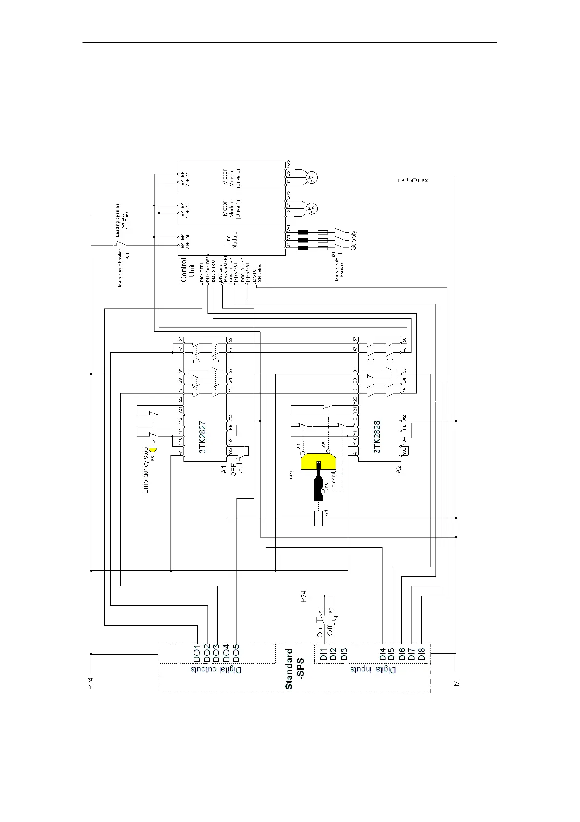
5.6 Application examples
5.6.1 Safe standstill with locked protective door (emergency stop
shutdown)
Fig. 5-4 Application example

Table of Contents

Other manuals for Siemens SINAMICS S120

Related product manuals