EasyManua.ls Logo

Siemens SIPROTEC 7SJ61 - Page 142

Siemens SIPROTEC 7SJ61
454 pages
Print Icon
To Next Page IconTo Next Page
To Next Page IconTo Next Page
To Previous Page IconTo Previous Page
To Previous Page IconTo Previous Page
Loading...
Functions
2.8 Monitoring Functions
SIPROTEC, 7SJ61, Manual
C53000-G1140-C210-1, Release date 02.2008
142
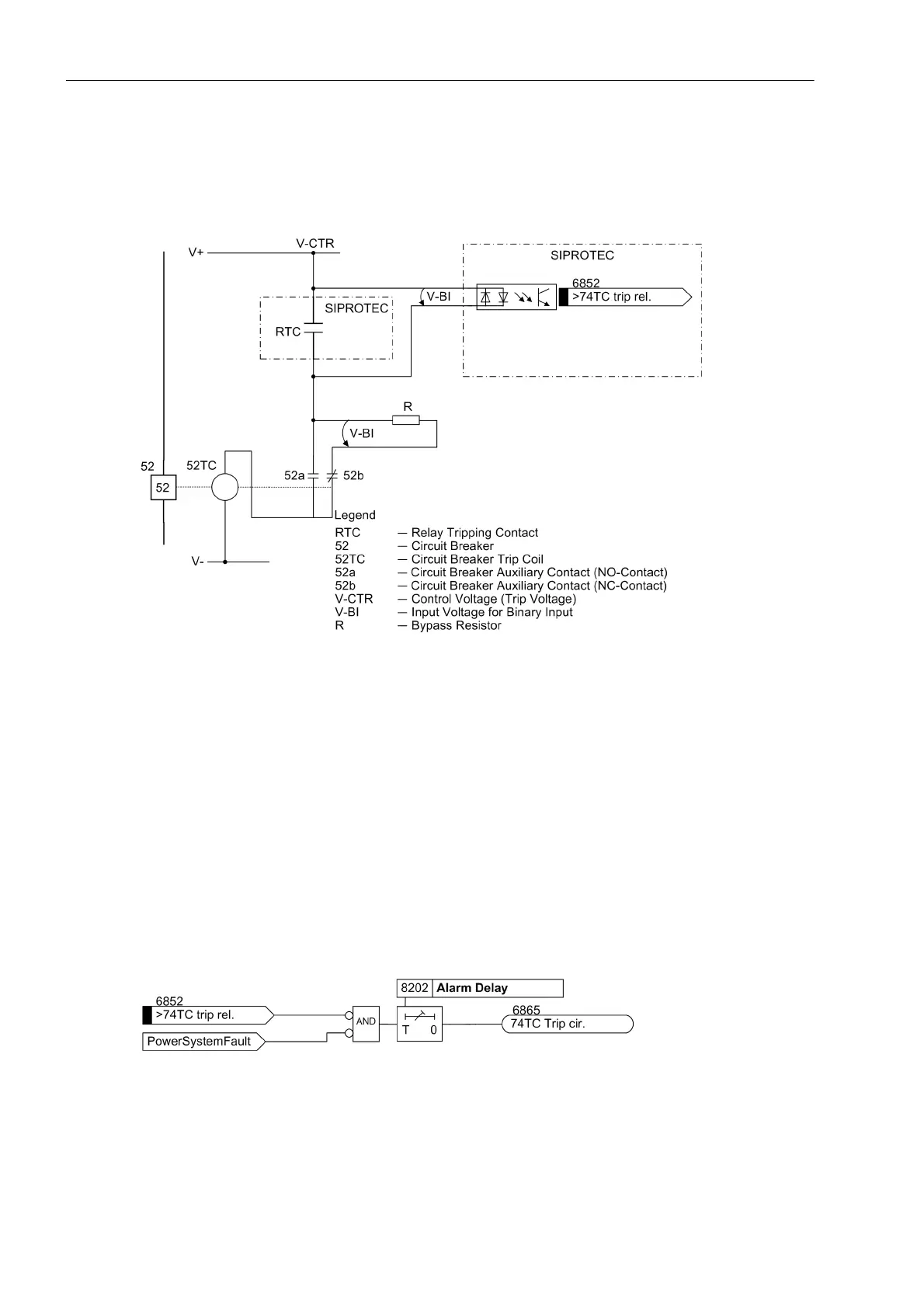
Supervision with One Binary Input
The binary input is connected according to the following figure in parallel with the associated trip contact of the
protection relay. The circuit breaker auxiliary contact is bridged with a bypass resistor R.
Figure 2-46 Trip circuit supervision with one binary input
During normal operation, the binary input is activated (logical condition "H") when the trip contact is open and
the trip circuit is intact, because the monitoring circuit is closed by either the 52a circuit breaker auxiliary contact
(if the circuit breaker is closed) or through the bypass resistor R by the 52b circuit breaker auxiliary contact.
Only as long as the trip contact is closed, the binary input is short circuited and thereby deactivated (logical
condition "L").
If the binary input is continuously deactivated during operation, this leads to the conclusion that there is an in-
terruption in the trip circuit or loss of control voltage.
As the trip circuit supervision does not operate during system faults, the closed trip contact does not lead to a
fault message. If, however, tripping contacts from other devices operate in parallel with the trip circuit, then the
fault message must be delayed (see also Figure 2-47). The delay time can be set via parameter 8202 Alarm
Delay. A message is only released after expiry of this time. After clearance of the fault in the trip circuit, the
fault message is automatically reset.
Figure 2-47 Logic diagram of trip circuit supervision with one binary input

Table of Contents

Other manuals for Siemens SIPROTEC 7SJ61

Related product manuals