EasyManua.ls Logo

Siemens SIPROTEC 7SJ61 - Page 37

Siemens SIPROTEC 7SJ61
454 pages
Print Icon
To Next Page IconTo Next Page
To Next Page IconTo Next Page
To Previous Page IconTo Previous Page
To Previous Page IconTo Previous Page
Loading...
Functions
2.1 General
SIPROTEC, 7SJ61, Manual
C53000-G1140-C210-1, Release date 02.2008
37
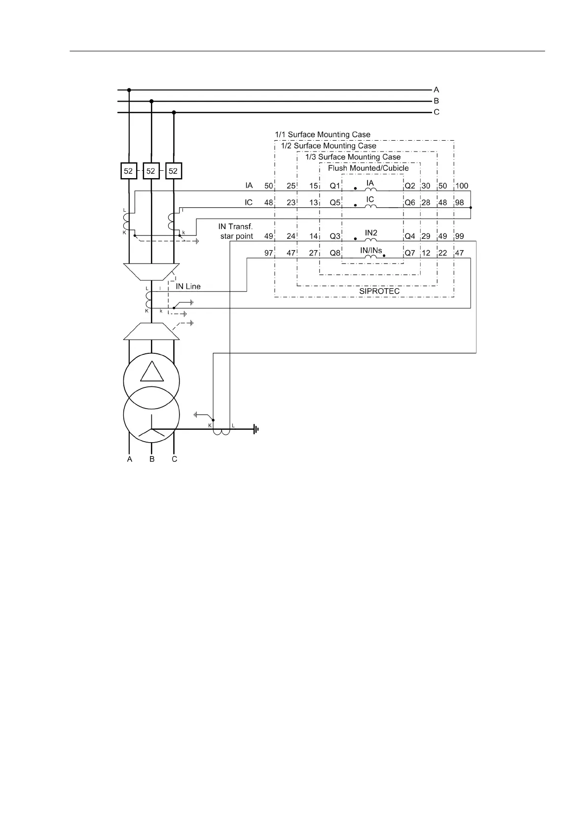
Figure 2-3 Measurement of two ground currents, example
The phase currents I
A
and I
C
must be connected to the first current input (terminals Q1, Q2) and to the third
(terminals Q5, Q6). At the fourth input (terminals Q7, Q8) the ground current I
N
or I
NS
is connected as usual, in
this case the ground current of the line. A second ground current, in this case the transformer starpoint current,
is connected to the second current input I
N2
(terminals Q3, Q4).
The settings A,G2,C,G; G->B or A,G2,C,G; G2->B must be used here. Both define the connection of a
ground current I
N2
at the second current input (terminals Q3, Q4). The settings only differ in the calculation of
I
B
. In case of A,G2,C,G; G->B, the phase current I
B
is determined by phase currents I
A
and I
C
as well as the
measured ground current I
N
or I
N sens.
at the fourth current input. In case of A,G2,C,G; G2->B, the phase
current I
B
is determined by phase currents I
A
and I
C
as well as the measured ground current I
N2
at the second
current input. The setting must be set according to system requirements.

Table of Contents

Other manuals for Siemens SIPROTEC 7SJ61

Related product manuals