EasyManua.ls Logo

Siemens SIPROTEC 7SS523 V3.2 - Page 239

Siemens SIPROTEC 7SS523 V3.2
430 pages
To Next Page IconTo Next Page
To Next Page IconTo Next Page
To Previous Page IconTo Previous Page
To Previous Page IconTo Previous Page
Loading...
Controlling Device Functions
223
7SS52 V4 Manual
C53000-G1176-C182-1
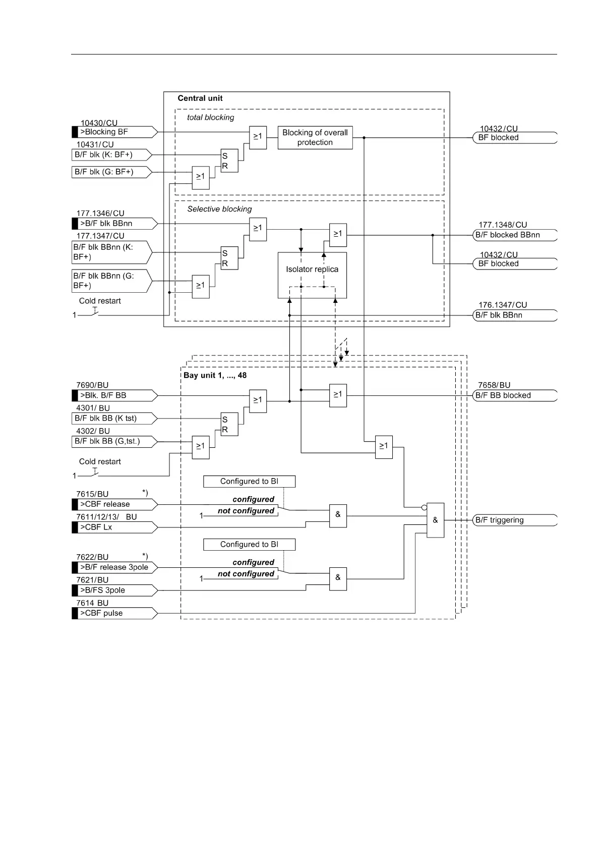
Figure 6-17 Logic for the blocking of the external breaker failure protection tripping
BF+: CU command (system port, DIGSI, locally)
Pr.: BU test function (DIGSI, locally)
K: ON
G: OFF
*) The enable input is only observed if the operating mode "BF 2-channel" has been configured (param. XX14 BF BI mode).

Table of Contents

Related product manuals