EasyManua.ls Logo

Sindoh M400 - Switching Part

Sindoh M400
181 pages
Print Icon
To Next Page IconTo Next Page
To Next Page IconTo Next Page
To Previous Page IconTo Previous Page
To Previous Page IconTo Previous Page
Loading...
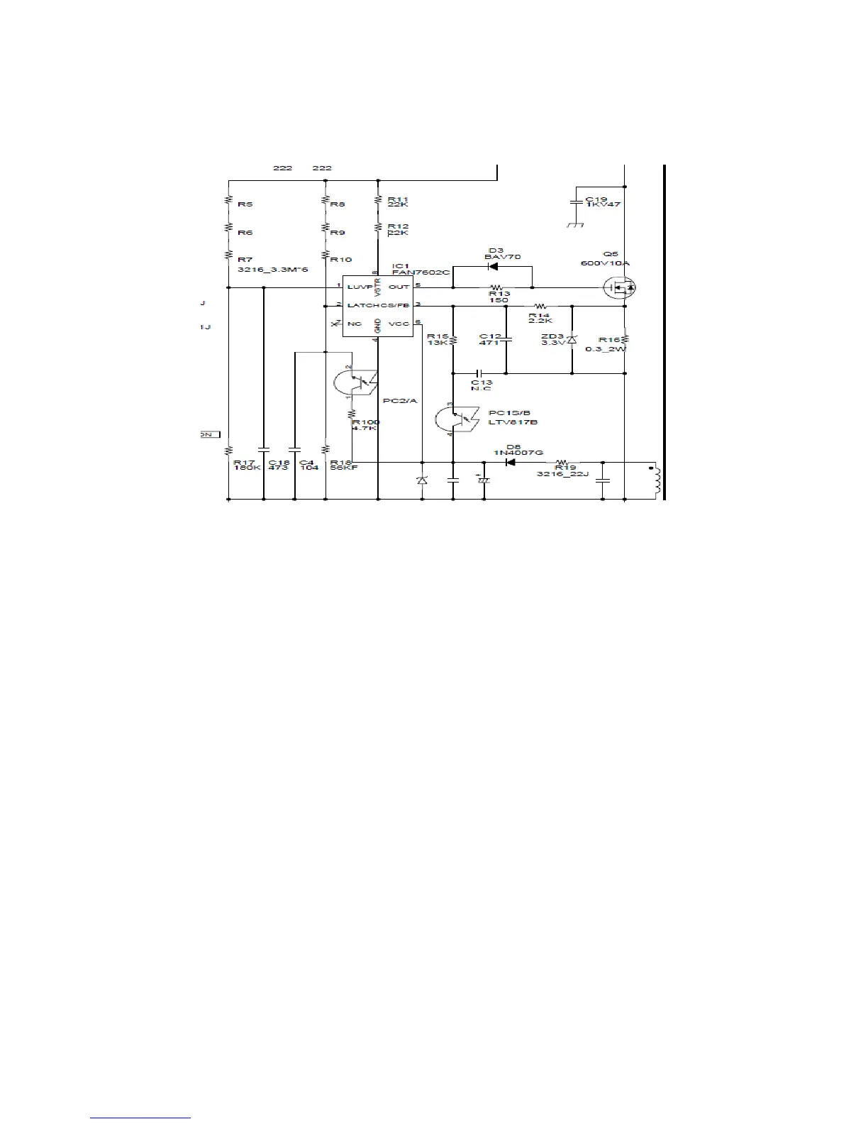
6. Switching Part

Table of Contents

Related product manuals