EasyManua.ls Logo

SMC Networks TigerStack - Wiring Closet Connections Via RJ-45 Connectors

SMC Networks TigerStack
80 pages
Print Icon
To Next Page IconTo Next Page
To Next Page IconTo Next Page
To Previous Page IconTo Previous Page
To Previous Page IconTo Previous Page
Loading...
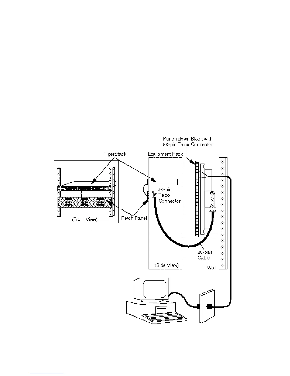
Wiring Closet Connections
If the TigerStack hub has RJ-45 connectors:
1. Attach one end of a 50-pin Telco cable to the punch-down
block in the wiring closet, and the other end to the patch
panel on the rack.
2. Attach one end of the patch cable to the patch panel, and
the other end to an open 10BASE-T port on the hub.
3. Label the cables to simplify future troubleshooting.
Wiring Closet Connections via RJ-45 Connectors
24
CONNECTING

Table of Contents

Related product manuals