EasyManua.ls Logo

SMC Networks TigerStack - Wiring Closet Connections Via Telco Connectors

SMC Networks TigerStack
80 pages
Print Icon
To Next Page IconTo Next Page
To Next Page IconTo Next Page
To Previous Page IconTo Previous Page
To Previous Page IconTo Previous Page
Loading...
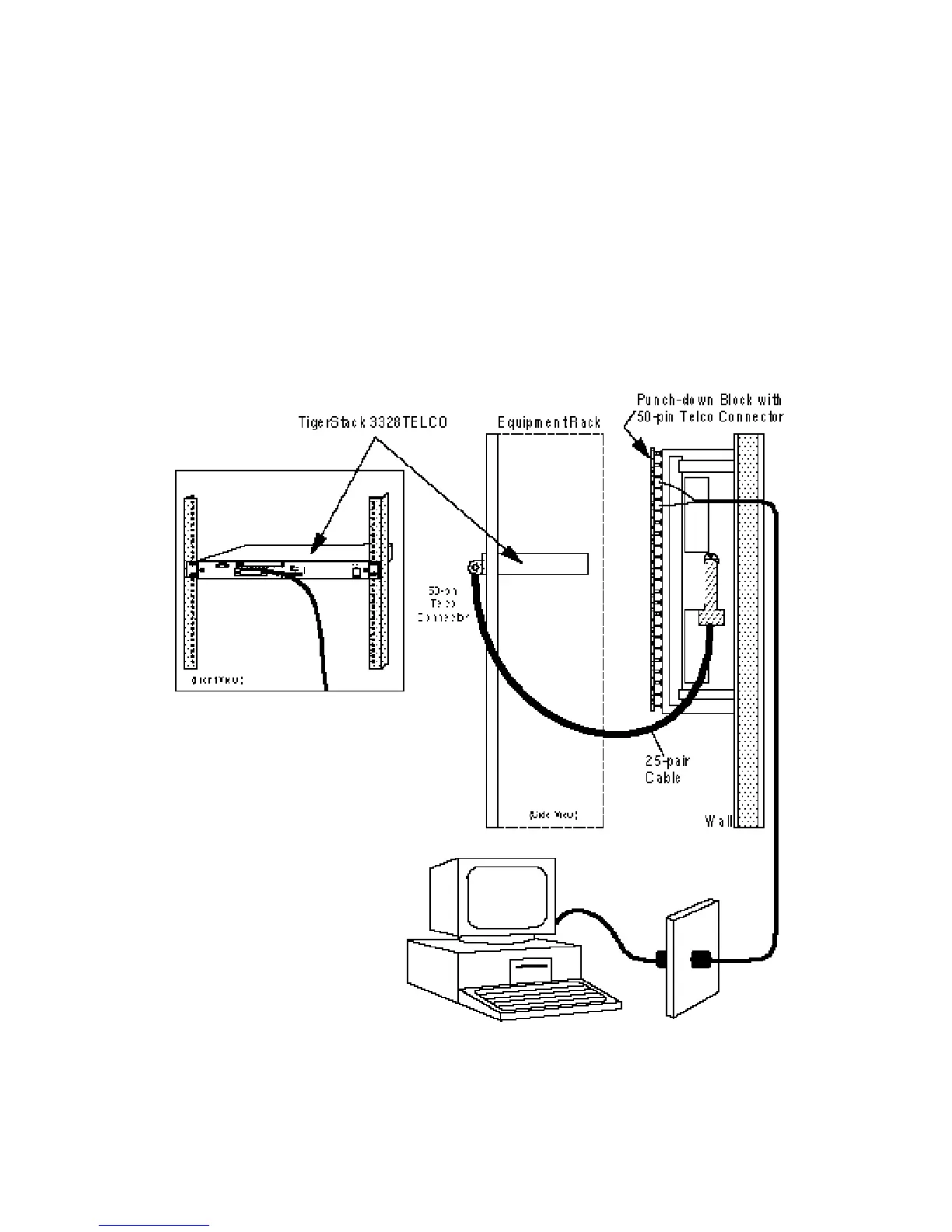
If the TigerStack hub has Telco connectors:
1. Attach one end of a 50-pin Telco cable to the punch-down
block in the wiring closet
2. Attach the other end to the 50-pin connector on the
TigerStack 3328Telco hub.
Wiring Closet Connections via Telco Connectors
25
CONNECTING

Table of Contents

Related product manuals