EasyManua.ls Logo

Sony HT-CT500 - Step 3 b: Non-HDMI Connections

Sony HT-CT500
108 pages
Print Icon
To Next Page IconTo Next Page
To Next Page IconTo Next Page
To Previous Page IconTo Previous Page
To Previous Page IconTo Previous Page
Loading...
29
GB
Getting Started
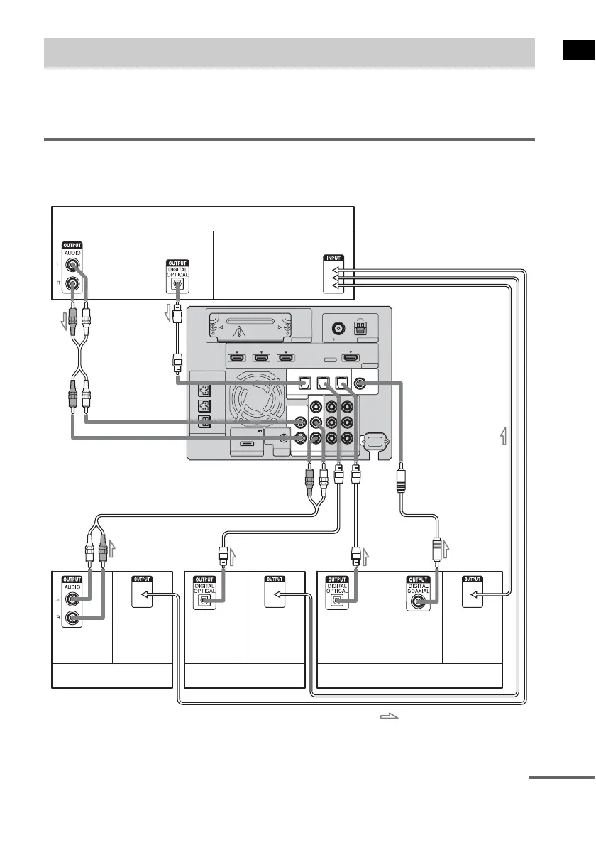
When you connect a DVD player (recorder), satellite tuner, VCR, etc. without HDMI jacks, you can
choose the connecting combination of the system. This system is equipped with a function for
converting video signals. For details, see “Function for conversion of video signals” (page 34).
Connecting a TV monitor, projector, etc.
The following illustration shows how to connect the TV without HDMI jacks and the components to
the subwoofer.
Step 3b: Connecting the components without HDMI jacks
EZW-T100 ANTENNA
HDMI
SPEAKER
TV OUTSAT/CATV INDVD IN
CENTER
ONLY FOR SS-CT500
ASSIGNABLE
AUDI O IN
L
R
AUDI O IN
VIDEO IN COMPONENT VIDEO IN
R
L
Y
R
L
BD IN
AM
FM
75 COAXIAL
DMPORT TV
REMOTE
CTRL
VIDEO 1
DC 5V
0.7A MAX
ONLY FOR
SS-CT500
VIDEO 2 VIDEO 3
PB/
C
B
PR/
C
R
OPTICAL
TV IN
COAXIAL
VIDEO 2 IN VIDEO 3 IN VIDEO 3 IN
DIGITAL
TV monitor, projector, etc.
A Audio cord (not supplied)
B Digital optical cord (supplied)
C Digital optical cord (not supplied)
D Digital coaxial cord (not supplied)
Video signal
: Signal flow
B
or
A
Rear of the
subwoofer
ACCD
Video signalAudio signal Video signalAudio signal Video signalAudio signal
or
DVD player (recorder)“PlayStation 2”
Satellite/cable television
tuner
Audio signal
continued

Table of Contents