EasyManua.ls Logo

Sony SA-SD35 - Schematic Diagram - MAIN Board (2;4)

Sony SA-SD35
80 pages
Print Icon
To Next Page IconTo Next Page
To Next Page IconTo Next Page
To Previous Page IconTo Previous Page
To Previous Page IconTo Previous Page
Loading...
SA-WS350/WSD35
SA-WS350/WSD35
23
Sony CONFIDENTIAL
For Authorized Servicer
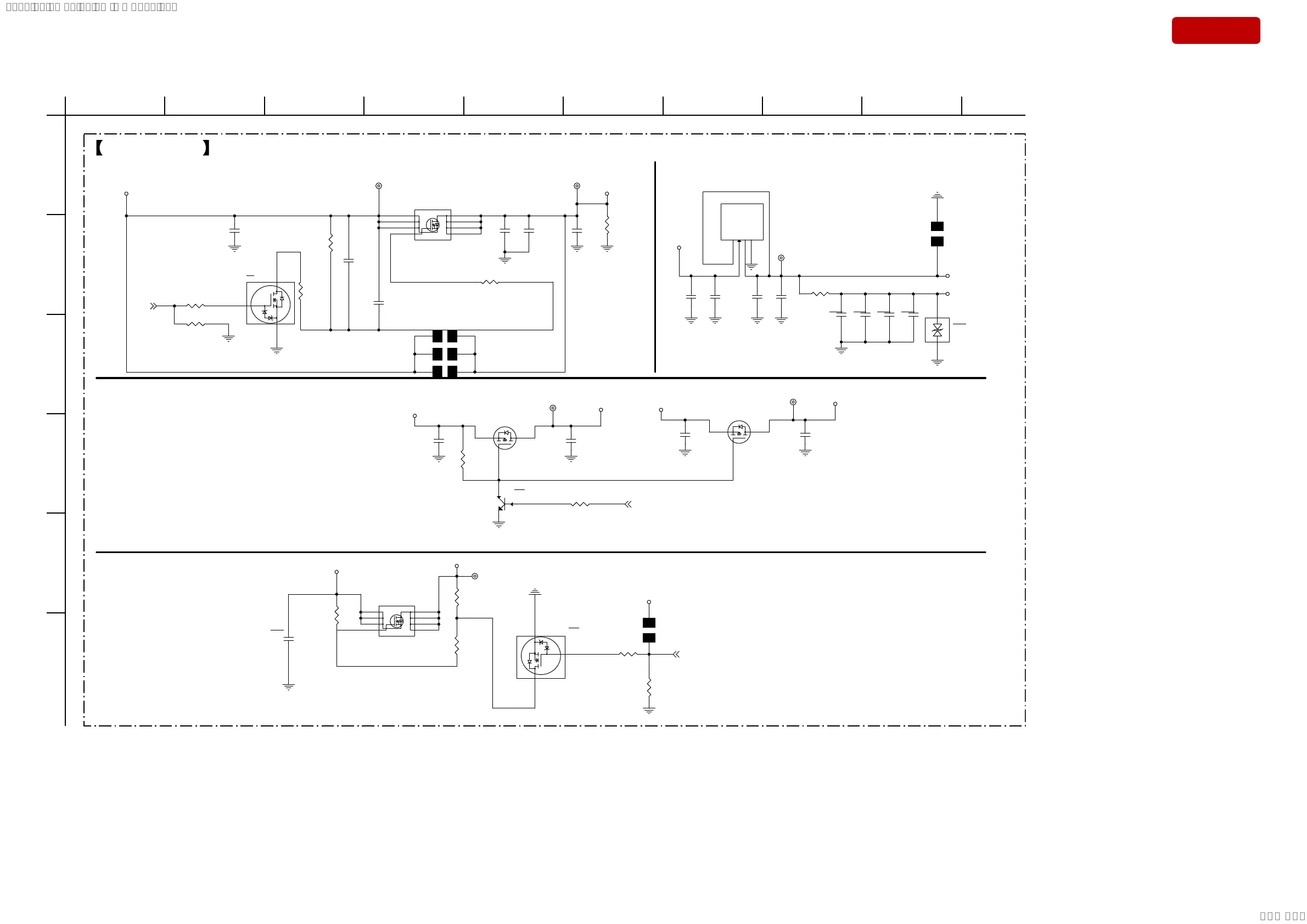
3-4. SCHEMATIC DIAGRAM - MAIN Board (2/4) -
A
E
D
B
C
12345678
(2/4)MAIN BOARD
F
910
AMP PVDD Power Ctrl
5V ==> 3.3V Standby
(1A max)
Standby
D/PWM Power Ctrl (H:Action)
(220mA)
ADC Power Ctrl (H:Action)
(5V_ADC 11mA) (3V3_ADC 10.2mA)
S
S
S
G
D
D
D
D
S
S
S
G
D
D
D
D
C188
SCD1U50V2KX-1-GP
C189
SCD1U50V2KX-1-GP
R219
33KR2J-3-GP
Q6
DMG2305UX-7-GP
C31
SCD1U50V3KX-GP
C35
SC1U50V3KX-5-GP
R240
DUMMY-R2-GP
R201
DUMMY-R2-GP
R199
100KR2J-1-GP
R242
DUMMY-R2-GP
TP160 TPAD60-OG-GP
R227
SCD1U16V2JX-1-GP
R251
33KR2J-3-GP
C80
SC10U10V5KX-6-GP-U
Q2
L2N7002SLT1G-GP
R200
10KR2J-3-GP
IC2
TLV1117LV33DCYR-GP-U
C186
SCD1U50V2KX-1-GP
C187
SCD1U50V2KX-1-GP
R202
0R3J-0-U-GP
R232
DUMMY-R2-GP
Q9
AON7403-GP-U
C78
SCD1U10V2KX-5GP
Q13
MMBT3904-3-GP
C33
SC100P50V2JN-3GP
TP3
TPAD60-OG-GP
R224
R27
0R2J-2-GP
R220
1KR2J-1-GP
C32
SCD1U50V2KX-1-GP
R243
RCLAMP0551P-TST-1-GP-U
Q1
AON7403-GP-U
TP158
TPAD60-OG-GP
R241
DUMMY-R2-GP
C79
SC10U6D3V2MX-GP-U
R226
C34
SC4D7U25V5KX-GP
R218
33KR2J-3-GP
C36
SC1U50V3KX-5-GP
R24
470KR2F-GP
C191
SCD1U50V2KX-1-GP
Q14
L2N7002SLT1G-GP
C77
SCD1U10V2KX-5GP
TP11
TPAD60-OG-GP
R29
100KR2J-1-GP
R26
300KR2F-L-GP
Q5
DMG2305UX-7-GP
R28
100KR2J-1-GP
R194
10KR2J-3-GP
TP159
TPAD60-OG-GP
R225
R30
10KR2J-3-GP
TP4
TPAD60-OG-GP
AMP_Q_C
Q2D
AMP_24V_MOS_RL
Q1G
+5V_IC2
+3V3_IC2
+24V_D4
Q14_D
BT_ON_G
Q13_G
Q2G
Q14G
Q9_G
WIRED_ON
6,7
PVDD_STBY
6
PCONT
4,6,7
NC
+24V +24_PVDD
+5V_STB
+3V3_STB
+3V3_BT
+5V_STB
+5V_ADC +3V3_STB
+3V3_ADC
+3V3_STB
+3V3_PWM
+3V3_STB
12
12
12
G
DS
12
12
12
12
12
12
1
12
12
12
S
G
D
12
1
2
3
4
12
12
12
12
1
2
3
45
6
7
8
12
C
B
E
12
1
12
12
12
12
12
1
2
3
45
6
7
8
1
12
12
12
12
12
12
12
12
S
G
D
12
1
12
12
G
DS
12
12
1
12
12
1
DNP
GND
OUTPUT#2
INPUT
OUTPUT#4
SYSSET
2019/02/1301:37:00(GMT+09:00)

Table of Contents

Related product manuals