EasyManua.ls Logo

Sony SA-SD35 - Schematic Diagram - POWER Board

Sony SA-SD35
80 pages
Print Icon
To Next Page IconTo Next Page
To Next Page IconTo Next Page
To Previous Page IconTo Previous Page
To Previous Page IconTo Previous Page
Loading...
SA-WS350/WSD35
SA-WS350/WSD35
30
Sony CONFIDENTIAL
For Authorized Servicer
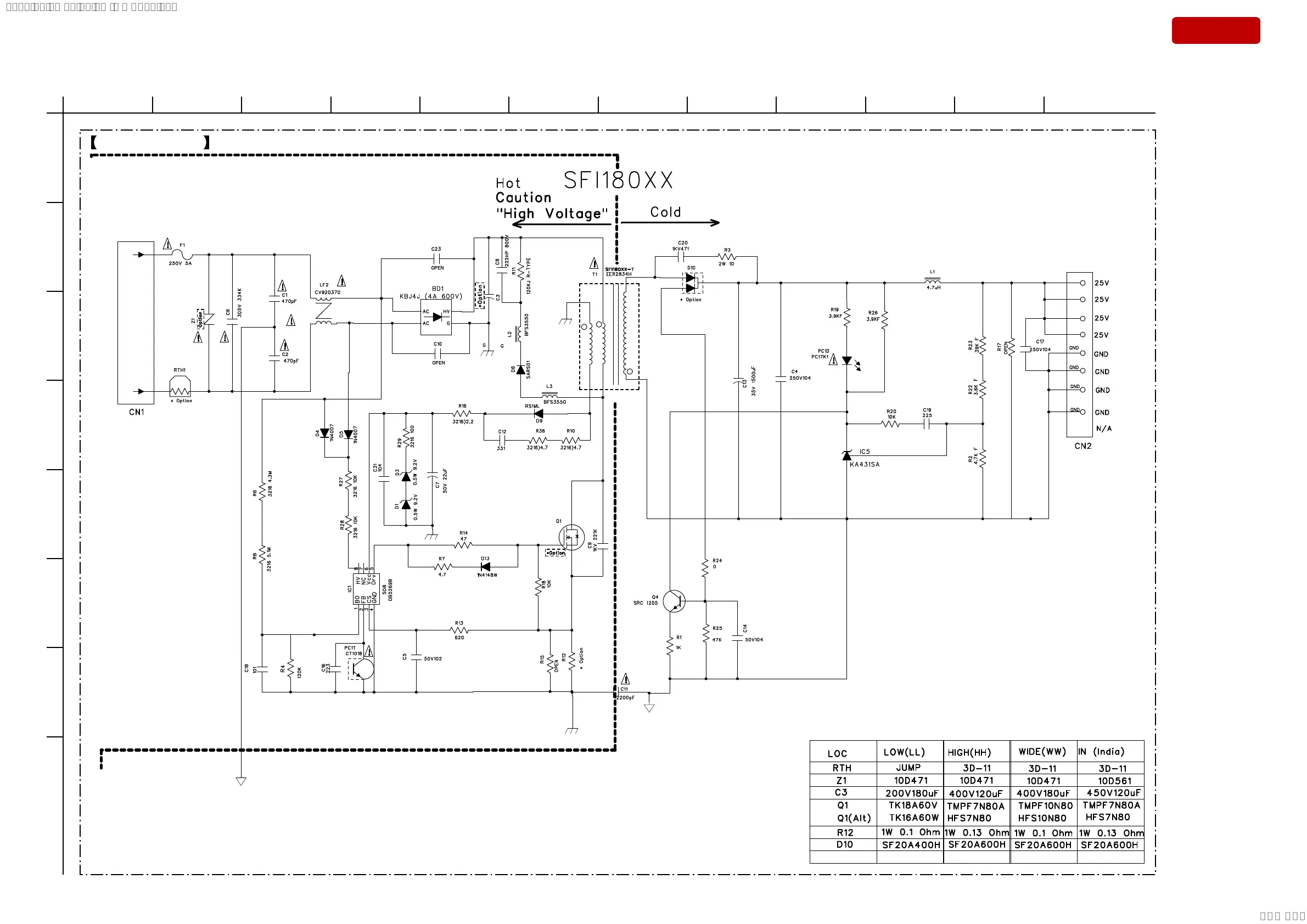
3-14. SCHEMATIC DIAGRAM - POWER Board -
A
E
D
B
C
12345678
POWER BOARD
F
G
910
H
11 12
SYSSET
2019/02/1301:37:00(GMT+09:00)

Table of Contents

Related product manuals