EasyManua.ls Logo

Sony SA-SD35 - Printed Wiring Board - KEY Board; Schematic Diagram - KEY Board

Sony SA-SD35
80 pages
Print Icon
To Next Page IconTo Next Page
To Next Page IconTo Next Page
To Previous Page IconTo Previous Page
To Previous Page IconTo Previous Page
Loading...
SA-WS350/WSD35
SA-WS350/WSD35
28
Sony CONFIDENTIAL
For Authorized Servicer
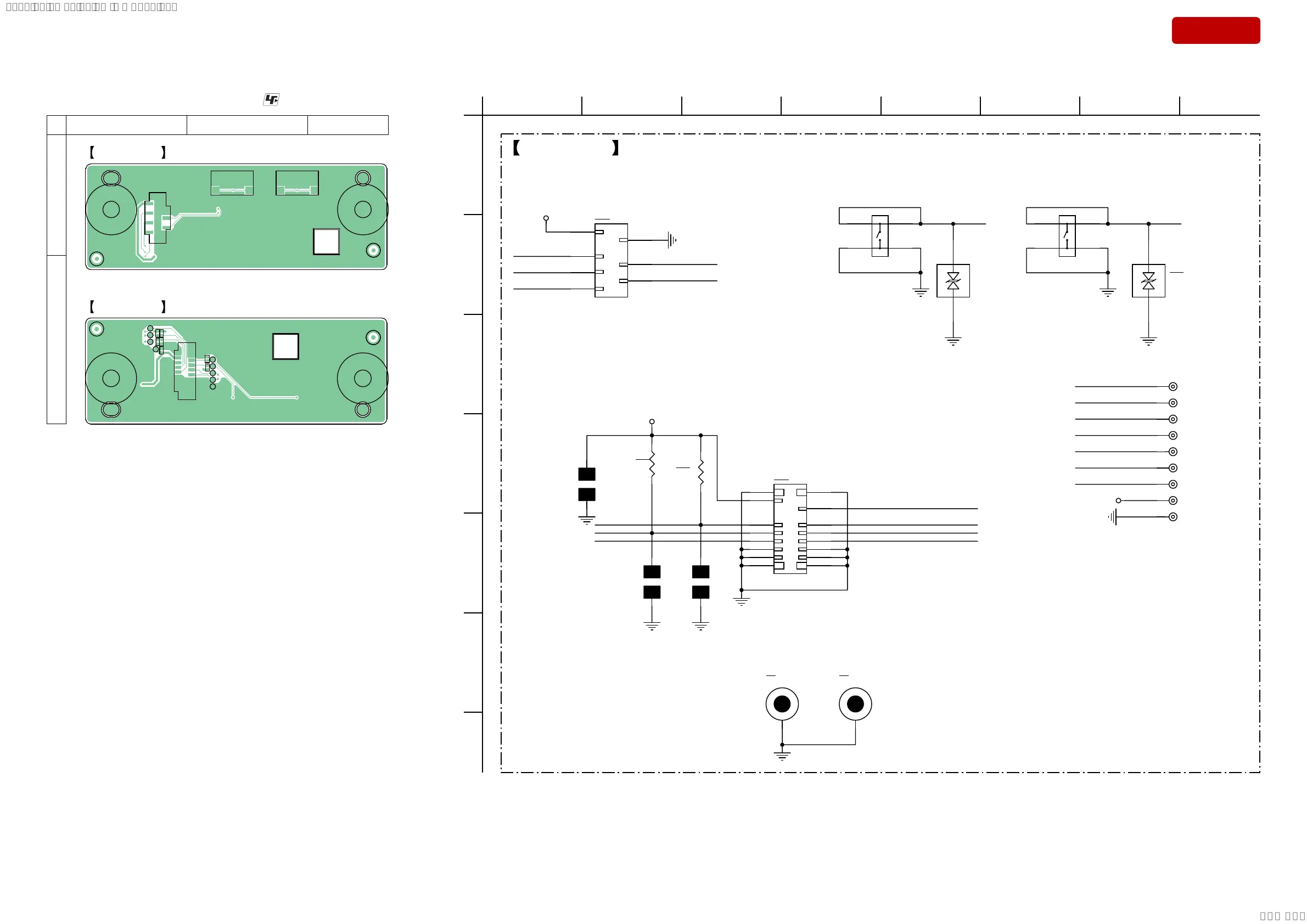
3-11. PRINTED WIRING BOARD - KEY Board -
: Uses unleaded solder.
• See page 20 for Circuit Boards Location.
H1
SW1 SW2
CN2
H2
TP150
TP142
TP143
TP144
TP145
R81
R9
TP149
TP148
TP147
TP146
R80
R79
CN1
R84
R83
R82
KEY BOARD (SIDE A)
KEY BOARD (SIDE B)
A
B
1 2 3
3-12. SCHEMATIC DIAGRAM - KEY Board -
A
E
D
B
C
12345678
KEY BOARD
F
G
Key and update to BT
Update to BT
+3V3_STB
+3V3_STB
+3V3_STB
1
1
1
12
1
1
12
1
2
34
56
78
910
11 12
13 14
15 16
1
12
12
12
1
2
3
4
12
1
1
2
3
4
5
6
7
1
1
1
2
3
4
12
1
1
KEY_PAIR KEY_PAIR_1
KEY_PAIR_1
KEY_PAIR
PCONT
BT_BOOT
SDA
UART_TX
UART_RX
KEY_PAIR
KEY_PAIR_1
PCONT
BT_BOOT
SDA
UART_TX
UART_RX
PCONT
BT_BOOT
UART_RX
UART_TX
SDA
TP144
TPAD40-GP
TP142
TPAD40-GP
TP147
TPAD40-GPR79
4K7R2J-2-GP
TP145
TPAD40-GP
TP148
TPAD40-GP
R9
RCLAMP0551P-TST-1-GP-U
CN1
ACES-CONN12A-5-GP
H1
HOLE394R138-GP
R82
DUMMY-R2-GP
R81
RCLAMP0551P-TST-1-GP-U
R83
DUMMY-R2-GP
SW1
SW-TACT-4P-126-GP
R80
4K7R2J-2-GP
H2
HOLE394R138-GP
CN2
ACES-CONN7A-GP
TP149
TPAD40-GP
TP143
TPAD40-GP
SW2
SW-TACT-4P-126-GP
R84
DUMMY-R2-GP
TP150
TPAD40-GP
TP146
TPAD40-GP
SYSSET
2019/02/1301:37:00(GMT+09:00)

Table of Contents

Related product manuals