EasyManua.ls Logo

Sony STR-DA5000ES - Block Diagram - ELECTRICAL VOLUME Section

Sony STR-DA5000ES
170 pages
Print Icon
To Next Page IconTo Next Page
To Next Page IconTo Next Page
To Previous Page IconTo Previous Page
To Previous Page IconTo Previous Page
Loading...
STR-DA5000ES
2020
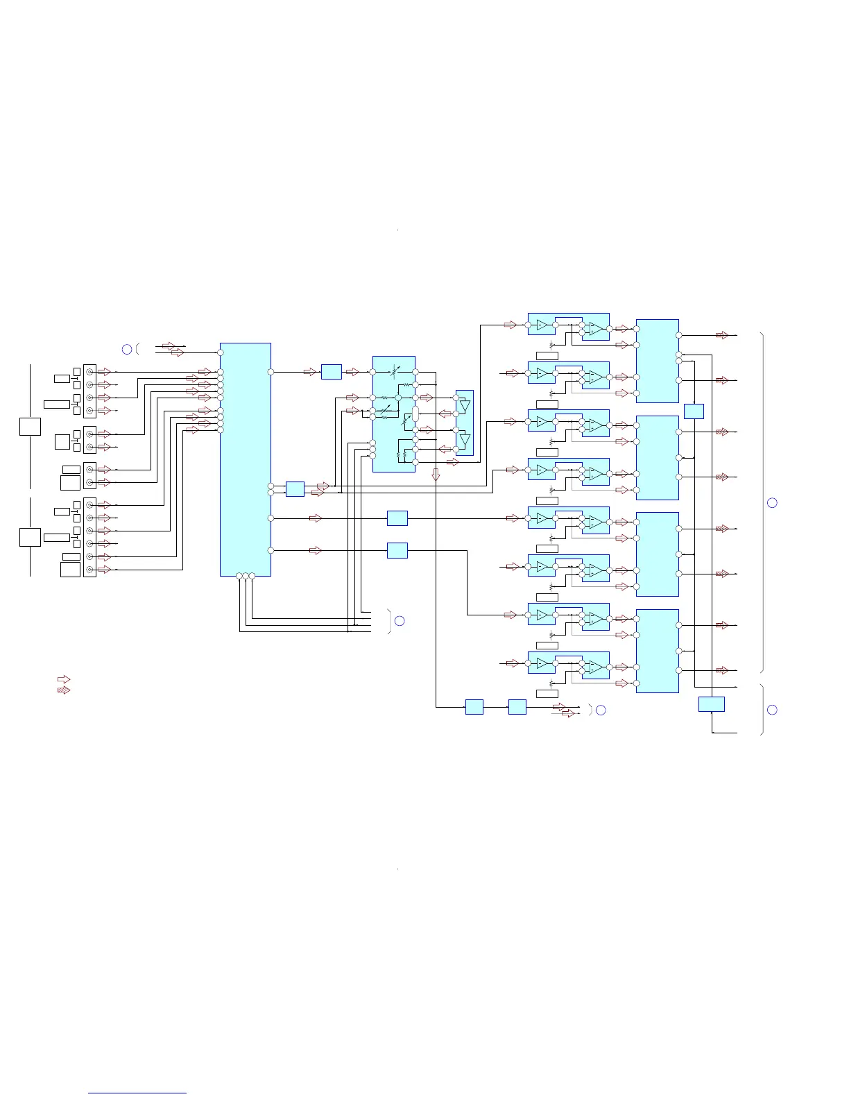
6-2. BLOCK DIAGRAM – ELECTRICAL VOLUME Section –
MULTI
CHANNEL
INPUT 2
J601
SURR
BACK
R-CH
2CH-R
2CH-L
R-CH
R-CH
R-CH
R-CH
37L OUT
24C OUT
19SW OUT
35 M2SL IN
31 M2SBL IN
27
16 M2SW IN
38 M1L IN
34 M1SL IN
26 M1C IN
17 M1SW IN
39 M2L IN
40 COML IN
R-CH
(Page 19)
A
FRONT
L
R
L
R
SURROUND
J604
FRONT
L
R
L
R
SURROUND
J602
L
R
J603
CENTER
SUB
WOOFER
CENTER
SUB
WOOFER
MULTI
CHANNEL
INPUT 1
BUFFER
IC327
37
30
31
32
22 DATA
21 CLK
23 LAT
41
38
29
24
34
36
33
25
ı
28
2
1
6
7
+
MIX
IC131
ELECTRICAL VOLUME
IC326
INPUT SELECT
IC341
33SL OUT
6 7 2
3
1
RV111
AMP
IC111
A/D CONVERTER
IC2012
A/D CONVERTER
IC2014
A/D CONVERTER
IC2013
A/D CONVERTER
IC2015
17 VINL+
16 VINL–
6 7 2
3
1
RV211
AMP
IC211
4 VINR+
5 VINR–
12DSDL
9SCKI
10BCK
11DSDR
DSD-L
DSD-R
6 7 2
3
1
RV161
AMP
IC161
17 VINL+
16 VINL–
6 7 2
3
1
RV261
RV141
AMP
IC261
4 VINR+
5 VINR–
12DSDL
10BCK
11DSDR
DSD-C
DSD-W
6 7 2
3
1
R-CH
R-CH
R-CH
R-CH
AMP
IC141
17 VINL+
16 VINL–
6 7 2
3
1
RV241
AMP
IC241
4 VINR+
5 VINR–
12DSDL
10BCK
11DSDR
DSD-SL
DSD-SR
6 7 2
3
1
RV181
AMP
IC181
17 VINL+
16 VINL–
6 7 2
3
1
RV281
AMP
IC281
4 VINR+
5 VINR–
12DSDL
10BCK
11DSDR
DSD-SBL
DSD-SBR
64FS
BUFFER
IC311
29SBL OUT
BUFFER
IC313
AMP
IC322
AMP
IC321
BUFFER
IC2009
21
CLK
22
DATA
23
LAT
MIX
LAT-F
CLK
DATA
L
R
(Page 22)
AA
(Page 23)
F
(Page 19)
D
1/2 DIVIDER
IC2011
DS-MCK
(Page 23)
C
• SIGNAL PATH
• R-CH is omitted due to same as L-CH.
: AUDIO (DIGITAL)
: AUDIO (ANALOG)
M2C IN
AMP
IC312
DC OFFSET
DC OFFSET
DC OFFSET
DC OFFSET
DC OFFSET
DC OFFSET
DC OFFSET
DC OFFSET

Table of Contents

Other manuals for Sony STR-DA5000ES

Related product manuals