EasyManua.ls Logo

Sony STR-DA5000ES - Schematic Diagram - DIGITAL Board (1;9)

Sony STR-DA5000ES
170 pages
Print Icon
To Next Page IconTo Next Page
To Next Page IconTo Next Page
To Previous Page IconTo Previous Page
To Previous Page IconTo Previous Page
Loading...
STR-DA5000ES
3939
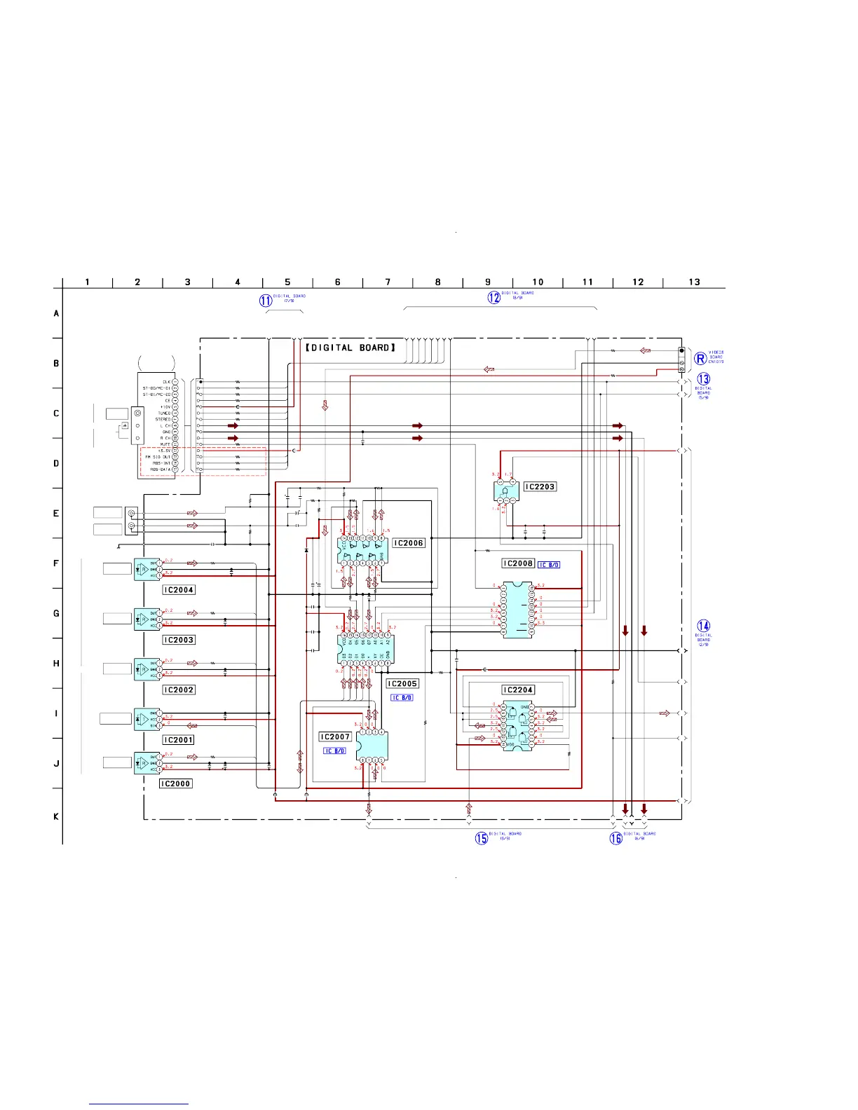
6-20. SCHEMATIC DIAGRAM – DIGITAL Board (1/9) – See page 78 for IC Block Diagrams.
IC2204
R2042
J2000
R2005
C2006
R2004
C2005
R2003
C2004
C2003
R2002
C2001C2002
C2012
D2000
C
20
1
6
IC2006
C
2
0
1
4
C2017
R2013
C2024
C2020
R2012
FB2001FB2000
R2015
C2228
IC2005
FB1270
C2213C2212
C2000
R2249
IC2203
IC2008
R2207
FB2007
FB2008
CN2001
R2014
R2011R2009
R2007
R2006
R
2
0
0
8
C2013
C
2
0
1
5
C
2
0
1
8
C2080
R2000
R2001
R2050
R2051
R2052
R2053
FB2050
R2054
R2055
R2056
R2057
R2058
R2059
CN2051
TU2051
FB2051
C2011
IC2000
IC2002
IC2003
IC2004
R2010
C2022
R2248
IC2007
IC2001
TC74HC00FT
10k
2P
100
0.1
100
0.1
100
0.1
0.1
100
0.10.1
0.1
RD551V-30
0
.1
TC74HCU04AF
0
.1
0.1
100
0.1
0.1
100
10k
0.1
TC74HC151AF
0.10.1
0.1
10k
TC7SH08FU
TC74HC595AF
100
0
0
3P
47k
47k470k
470
470
4
7
0
k
47 63V
4
7
6
3
V
1
0
0
0
6
.3
V
0.1
75
75
100
100
100
100
100
100
100
100
100
100
47
16V
TORX141L
TORX141L
TORX141L
TORX141L
0
47p
10k
TC7WH08FU
TOTX141L(RED)
A1
A2
A3
A4
A5
A6
B
1
B
2
C1
C2
D
1
D
2
D
3
B
3
D-595OE
TUN LAT
DATA
RDS DATA
RDS CLK
TUNED
STEREO
D-SEL LAT
TUN+10V
TUN+3.3V
DATA FEINT
RDS SIGNAL
DGND
Y1
Y2
Y3
Y4
Y5
Y6
Y7
X0
X1
X2
X3
X4
X0
X1
X2
X3
X4
Y7
Y6
Y5
Y4
Y3
Y2
Y1
TUNED
STEREO
GND
TUN+3.3V
TUN-LCH
TUN-RCH
MUTE
CE
DO
TUN+10V
PDS DATA
RDS-CLK
COM1 DATA
COM1 CLK
RDS SIGNAL
(CHASSIS)
GND
VCC
QB
QC
QD
QE
QF
QG
QH
GND
VCC
QA
S-IN
LAT
CLK
RST
S-OUT
OE
VCC
1Y
2A
2B
1A
1B
2Y
GND
DGND
D+3.3V
V3.OPT
(1/9)
BUFFER
DATA DECODER
WAVE SHAPER
(AEP)
AM
ANTENNA
COAXIAL
FM 75
15P
11P (EXCEPT AEP)
(AEP)
TUNER UNIT
THE ASSEMBLED
BLOCK
SUPPLIED AS
D-OUT SWITCH
INPUT SELECT
BUFFER, SWITCH
OPTICAL RECEIVER
OPTICAL RECEIVER
OPTICAL RECEIVER
OPTICAL RECEIVER
OPTICAL TRANSCEIVER
OPTICAL IN
OPTICAL IN
OPTICAL IN
TV/SAT
MD/DAT
MD/DAT
OPTICAL OUT
COAXIAL IN
DVD
COAXIAL IN
CD/SACD
DVD
OPTICAL IN
CD/SACD
DIGITAL
(Page 45)
(Page 46)
(Page 73)
(Page 43)
(Page 40)
(Page 44)
(Page 41)

Table of Contents

Other manuals for Sony STR-DA5000ES

Related product manuals