EasyManua.ls Logo

Sony STR-DA5000ES - Page 86

Sony STR-DA5000ES
170 pages
Print Icon
To Next Page IconTo Next Page
To Next Page IconTo Next Page
To Previous Page IconTo Previous Page
To Previous Page IconTo Previous Page
Loading...
86
STR-DA5000ES
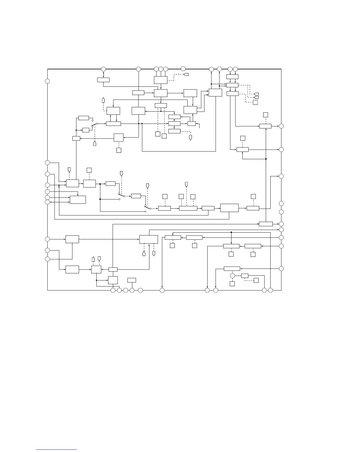
IC3701 CXA2199Q
39
37
36
15
40
CLAMP
IREF
1/32
DET SW
COLOR
CHROMA
DET
H. SYNC
SEP
PHASE
DET
I
2
C BUS
DECORDER
32fH
VCO
NT/PAL
PAL ID FF
ID AXIS
HUE
SECAM
LPF
BST AMP
TOT
DELAY
DEM
AXIS
PHASE
SHIFT
CHROMA
VCO
PHASE
DET
ACC
DET
COLOR
KILLER
4.43/3.58
SW
LOCK
AFCH
EXT COLOR
NT/PAL
COLOR
2fH
TRAP ON
X' TAL PIN
KILLER
TOT ON
SUB COLOR
SUB HUE
HUE
NT/PAL
2fH
38
31
DELAY
SHARPNESS
PRE
OVER
SHP f0
SHARPNESS
CLAMP
AUTO
PEDESTAL
TRAP
SECAM
TRAP
SUB
CONT
SUB CONT
VIDEO
SW
CV/YC
34
32
33
35
V. SYNC
SEP
V COUNT
DOWN
C MODE
50/60
14
16
17
V PED
U PED
20
19
18
Y DRIVE
V PED
U PED
Y DRIVE
13
12
11
V2 DRIVE
V2 PED
V2 PED
V2 DRIVE
U2 DRIVE
U2 PED
U2 PED
U2 DRIVE
Y2 DRIVE
Y2 DRIVE
ABL
ABL CENT
H. DRIVE
DELAY
H SYNC
SDA
SCL
V HOLD
V SYNC
S GND
CVBS/Y IN
C IN
A PED
ADRS
B-Y OUT
R-Y OUT
B-Y IN
R-Y IN
SVCC
APC
X NTSC
X 3.58
X 4.43/3.58
SECAM REF
421 3 5
6
7 8
9 10
IREF
AFC
CERA
JVCC
J GND
V2 OUT
U2 OUT
Y2 OUT
ABLFILIN
CP IN
24
23
22
21
25
29 2627
28
30
H TIM
V TIM
SCP
SGND2
V OUT
U OUT
Y OUT
V2 IN
U2 IN
Y2 IN
ACC

Table of Contents

Other manuals for Sony STR-DA5000ES

Related product manuals