EasyManua.ls Logo

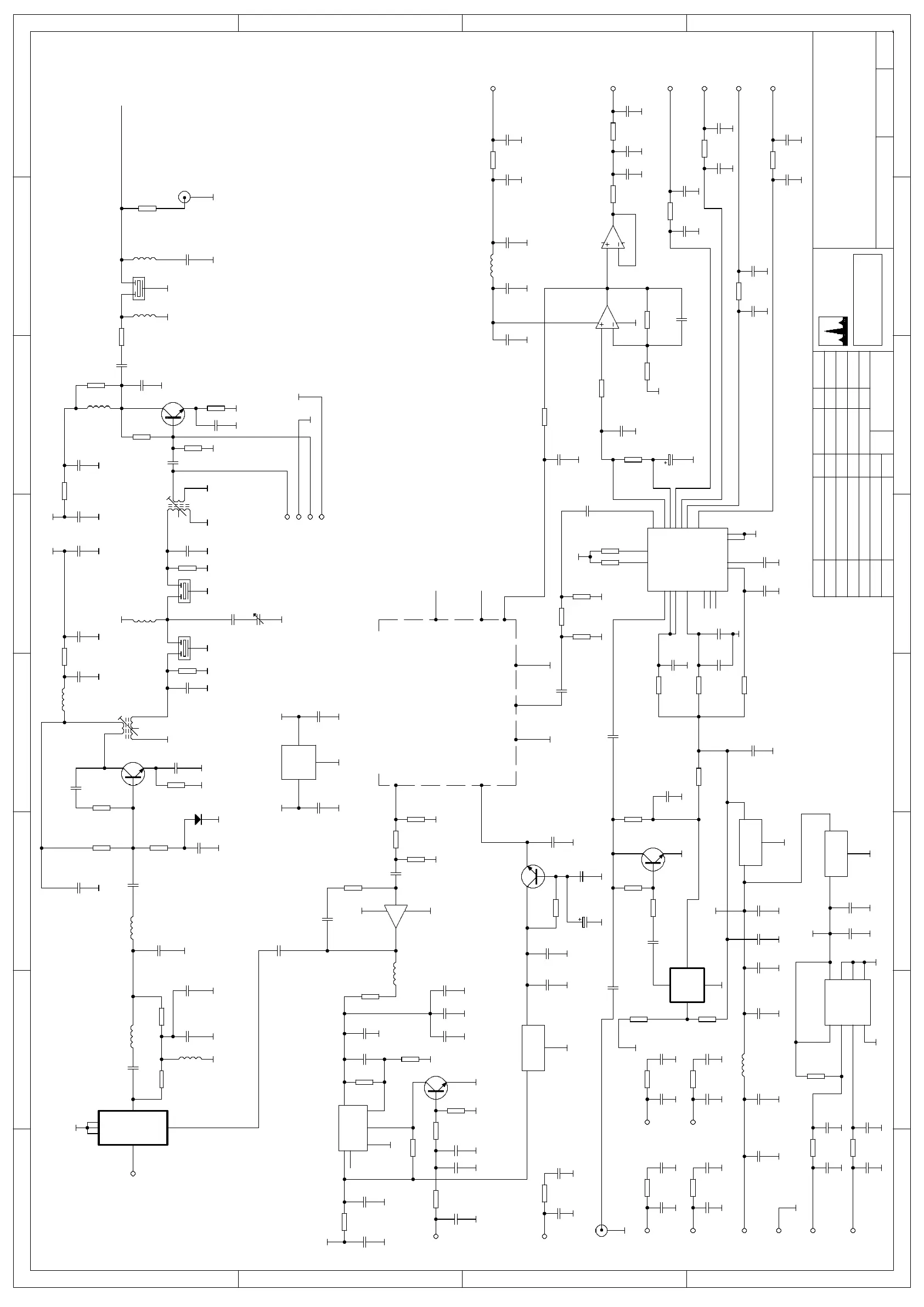
Spectra Engineering MX800 - Circuit Diagram: MX800 PA CIRCUIT DIAGRAM; PA Circuit Diagram Details (continued)

Spectra Engineering MX800
201 pages
Print Icon
To Next Page IconTo Next Page
To Next Page IconTo Next Page
To Previous Page IconTo Previous Page
To Previous Page IconTo Previous Page
Loading...
1 2 3 4 5 6 7 8
A
B
C
D
8
7654321
D
C
B
A
9 TRADE ROAD
MALAGA 6062
WESTERN AUSTRALIA
PHONE +618-92482755
CN4-4
CN4-3
CN4-2
CN4-1
ETH
+5
CT2
5-20p
C54
1u
ETH
R49
10K
R50
10K
ETH ETH
C106
1n
C130
1n
ETH ETH
C129
1n
C131
1n
ETH ETH
C132
1n
C133
1n
R57
1K
R62
1K
R86
1K
ETH
ETH
C134
1n
C135
1n
R87
1K
R88
1K
ETH
ETH
C136
1n
C137
1n
SKD-6
SKD-5
SKD-7
SKD-20
SKD-19
L22
390nH
L21
390nH
ETH
SKD-1
R36
1K
R66
1K
C104
1n
ETH
S7
1.2uH
ETH
S6
390nH
ETHETH
C65
100n
C66
100n
ETH
+12
IC9
78M08
ETH
C20
100n
C63
100n
ETHETH
R43
270R
R44
18R
R45
270R
3
2 1
4
IC4
MSA-0886 ETH
C64
1n
C57
1n
R42
560R
ETH
L16
390nH
R11
56R
L8
18n5
L7
220nH
ETH
FL4
* 90M15A
ETH
R17
3K3
ETH
C14
100n
C25
1n
TR3
2SC3583
C16
8p2
T2
M309
ETH
C12
1n
C18
8p2
C103
1n
ETH
C22
12p
C13
100p
R10
56R
TR2
BFG591
ETH ETH ETH
ETH
ETH
D2
BAV99
T1
M309
R19
0R
C125
1n
3
2
1
84
IC11A
MC33172D
5
6
7
IC11B
MC33172D
ETH
C116
470nF
ETHETH
R64
220R
R63
220R
R69
100R
R85
100R
R82
220R
R79
220R
R81
220R
R80
220R
R84
1K
R83
1K
R78
18K
R77
4K7
R47
22R
R48
220R
TR5
BC847
R38
1K
ETH
ETH
C87
1n
C88
1n
ETH ETH
ETH
C126
1n
C127
1n
ETH ETH
C101
100n
ETHETH
ETH
Vin
8
GND
2-7
Vout
1
IC7
78L05
R70
33R
ETH ETH
ETHETH
C98
100p
C97
100p
C96
100p
C95
100p
ETH
ETH ETH ETHETH
C99
1n
C92
100n
+12V IN
SKD-2
ETH
SKD-14
SKD-17
SKD-18
SKD-15
ETH
ETH
ETH
ETHETH
ETH
ETH
C118
100p
C122
100p
C120
100p
C128
100p
C121
100p
C119
100p
C124
1n
ETH
SKD-13
ETH
C75
100n
ETH
ETH
SKD-16
C114
3u3/16V
ETH
C123
1n
ETH
ETH
ETH
R71
33R
C107
1n
C111
1n
ETH
ETH
C117
1n
R72
33R
ETH
ETH
R73
33K
R74
10K
C108
1n
C109
100n
C110
1n
C115
10n
R76
100R
R75
1K5
CLK
1
DAT
2
STB
3
VSS
4
RFIN
5
*RFIN
6
VCCP
7
REFIN
8
RA
9
AUX
10
PHA
11
VSSA
12
PHI
13
PHP
14
VDDA
15
RN
16
RF
17
LOCK
18
TST
19
VDD
20
IC10
SA7025DK
C113
1n
R46
220R
ETH
ETH
+5
R65
10K
VCC
8
GND
7
CLK
6
DATA
5
A0
1
A1
2
A2
3
VEE
4
IC6
* X24C04
C100
100n
SKD-9
SKD-12
ETH
ETHETH
ETH
CN3
Vin
8
GND
2-7
Vout
1
IC8
78L05
C91
1n
ETH
ETH
C105
100n
ETH
+12
ETH
ETH
C50
100n
ETH
Vin
8
GND
2-7
Vout
1
IC2
78L08
R37
0R
C46
100n
ETH
+12
C49
100n
ETH
R56
2K7
C72
100n
C67
1n
ETH
FL3/A
*
FL3/B
*
ETH ETH
ETHETH
C47
1n
C55
1u
Vin
8
GND
4
+9V
1
EN
3
5
7
IC3
LP2951
ETH
C45
1n
SKD-8
TR4
BC847
ETH
R34
33K
R33
10K
R35
10K
ETH
ETH
R41
56R
R40
330K
R39
51K
C56
1n
C53
10n
ETH
ETH
ETH
R18
5K6
R24
150R
R22
470R
R21
560R
C26
1n
ETHETH
L10
3.3uH
C27
6p8
C28
22p
ETH
R25
18R
R23
2K2
ETH
C23
1n
C21
100n
ETH
R20
10R
ETH ETH
ETH
L9
3u3H
+8
C10
1n
ETH
R13
4R7
R12
220R
ETH
R16
220R
R15
2K2
C15
1n
ETH
+8
ETH
+5
R67
100K
R68
470R
TR6
BC847
C48
1n
ETH
ETH
C89
1n
ETH
C7
100n
C9
18p
ETH
S5
680nH
C17
1n
ETH
C24
100n
ETH
L1
33nH
C36
18p
ETH
C58
5p6
ETH
R93
10K
CN6
ETH
C61
8p2
C59
1u
ETH
C51
470n
C52
100n
C94
470n
C93
470n
C112
1u
C60
1u
ETH
C78
470n
C77
470n
C52B
100u
ETH
CN4-4
CN4-3
CN4-2
CN4-1
22/01/03 GJE: IC6 PINS
OTHER VALUES MAYR18=8K2,C58=3p3,
FL3/4 = 90M20A/B
VF BW8. * 30kHz FOR EXTRA
GJ25/08/00 D: TANT REMOVE
SEARX REV J+
IF SIGNAL
2. * 50kHz SPACING;
FL3 = 90M30B, FL4 = 90M30A
FL4 = 90M20A
3. * 30kHz SPACING;
FL3 = 90M20B,
6. * 12.5kHz SPACING
5. * 20kHz SPACING;
FL3 = 90M15B
FL3 = 90M15B
NOTES:
1. NOT ALL COMPONENTS FITTED
4. * 25kHz SPACING;
"A"
SHEET 2 OF 2
ETH
ETH
MX800
MIXER
RF
LO
IF
M1
LRFMS-2-17
+17dBm
1 OF 2
RF OUT
SKU-2
SKU-3
SKT-2
SKT-3
SKT-1
SKU-1
SKT-5
+7.4V
TUNE
SAMPLE RF
11/6/97
11/6/99
HCS017-1H
RECEIVER MODULE
MIXER & IF SECTION
DATE REVISION TITLE
DRAWING No SHEET REV
REF
PCB
BY DATE
DESIGNED
DRAWN
CHECKED
APPROVED
APP
GJ
GJ
SPECTRA
ENGINEERING
(C) Copyright
+VE
TCXO
RF OUT
ETH
SKT-6
V.C.O. BOARD
X2
+30V
TO FRONT END
FL3 = 90N8B / 90M8B
;
OR FL3 = 90M15B
7. * 25/12.5kHz PROGRAMMABLE SPACING
FL3=90M15B
;
8/02/00 R39,40 ammend GJ
9. VALUES MAY VARY
J: Update IF GJ1/05/00
VARY
IN SPECIAL CASES

Table of Contents

Related product manuals