EasyManua.ls Logo

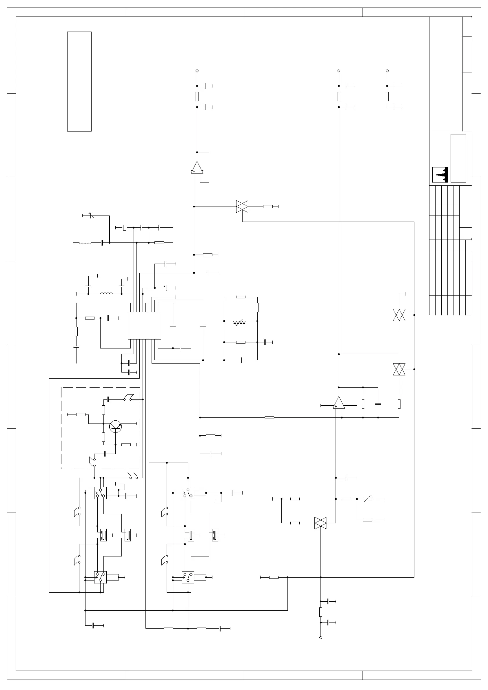
Spectra Engineering MX800 - Circuit Diagram: MX800 PA CIRCUIT DIAGRAM; PA Circuit Diagram Details (continued)

Spectra Engineering MX800
201 pages
Print Icon
To Next Page IconTo Next Page
To Next Page IconTo Next Page
To Previous Page IconTo Previous Page
To Previous Page IconTo Previous Page
Loading...
1 2 3 4 5 6 7 8
A
B
C
D
8
7654321
D
C
B
A
9 TRADE ROAD
MALAGA 6062
WESTERN AUSTRALIA
PHONE +618-92482755
CHANNEL SPACING NOTES:
1. Programable IF: FL5,FL6=SFGCG455DX. FL5A,FL6A=CFUCG455GX.
2. WB Only: FL5,FL6=SFGCG455DX
3. NB Only: FL5,FL6=CFUCG455GX
4. MB Only: FL5=SFGCG455DX,FL6=CFUCG455GX
V T
U
C71
10n
ETH
R100
6K8
R98
0R
+5
R97
2K2
ETH
R99
27K
C70
10n
TR1
BC847
ETH
R96
3K3
ETH
C43
470n
ETH
C19
100n
8 9
6
IC15D
74HC4066
43
5 IC15C
74HC4066
1110
12
IC15B
74HC4066
1 2
13
IC15A
74HC4066
R55
2K
ETH
C8
100n
*R14
3K3
+5
R51
2K2
ETH
ETH
C73
100n
C62
47u
L14
1.5mH
C35
1n
C37
4p7
X1
89.545MHz
C41
33p
C42
3p9
C40
1n
L15
680nH
ETH
ETH
ETH
R26
100K
C29
100p
ETHETH
C34
10p
C38
82p
C39
100n
R29
33K
R30
10K
R28
47K
ETH
R32
100K
C44
3n9
ETH ETH
ETH
C32
100n
C31
100n
FL5
*
FL6
*
ETH
*R27
2K2
ETH
ETH
ETH
+5
RFIN
1
RFBP
2
XT1
3
XT2
4
MUTE
5
VCC
6
RSSI
7
AUDM
8
AUDU
9
QUIN
10
LIMO
11
DCPL
12
DCPL
13
LIMI
14
GND
15
IFOP
16
DCPL
17
IFIN
18
DCPL
19
MIXO
20
IC1
SA615
C33
100n
C30
100n
ETH
ETH
R31*
15K
ETH
R61
1K
R60
1K
ETHETH
ETH ETH
C85
1n
C86
1n
SKD-10
SKD-11
C83
1n
C84
1n
R54
100K
ETH
R52
220R
R53
2M2
C74
4p7
5
6
7
IC5B
MC33202
3
2
1
84
IC5A
MC33202
C80
1n
C79
1n
SKD-3
SKD-4
C82
1n
C81
1n
ETH ETH
ETH ETH
R58
10R
R59
1K
CT1
5-20p
ETH
L23
390nH
C90
100n
C102
100n
ETH
ETH
S8
4K7
+5
1
2
15
14
4
3
16
5
IC13A
DG213DY
11
10
7
8
6
13
12
9
IC13B
DG213DY
11
10
7
8
6
13
12
9
IC14B
DG213DY
1
2
15
14
4
3
16
5
IC14A
DG213DY
FL5B
*
FL6B
*
ETH
MN
L K
ETH
ETH
+5
+5
ETH
C68
100n
ETH
C11
100n
ETH
R90
100K
R89
2M2
R91
2M7
ETH
ETH
R92
100K
+5
R95
33R
R14 = N/F
R27 = 0RT28 NOTE:
GJ2/5/00 C: Update IF
SEARX REVJ+
IF SIGNAL
MX800
NTC
2 OF 2
1/8/99
11/6/99
GCS017-2G
RECEIVER MODULE
MIXER & PROGRAMMABLE
DATE REVISION TITLE
DRAWING No SHEET REV
REF
PCB
BY DATE
DESIGNED
DRAWN
CHECKED
APPROVED
APP
GJ
GJ
SPECTRA
ENGINEERING
(C) Copyright
DC OFFSET CORRECTION
TEMP COMPENSATION
GAIN CORRECTION
RSSI CORRECTION
TEMP COMPENSATION
LO FREQ ADJUST
IF SECTION
RSSI
DISC OUT
IF MODE
HIGH = WB (DEFAULT)
LOW = NB
NOTES:
1. * VALUE MAY VARY
D: Tant remove25/8/00 GJ
4/10/01 E: R58 to 10R GJ
/MCP6002
/MCP6002
T28 OPTION

Table of Contents

Related product manuals