EasyManua.ls Logo

ST ST7 - Page 131

ST ST7
317 pages
Print Icon
To Next Page IconTo Next Page
To Next Page IconTo Next Page
To Previous Page IconTo Previous Page
To Previous Page IconTo Previous Page
Loading...
131/317
5-Peripherals
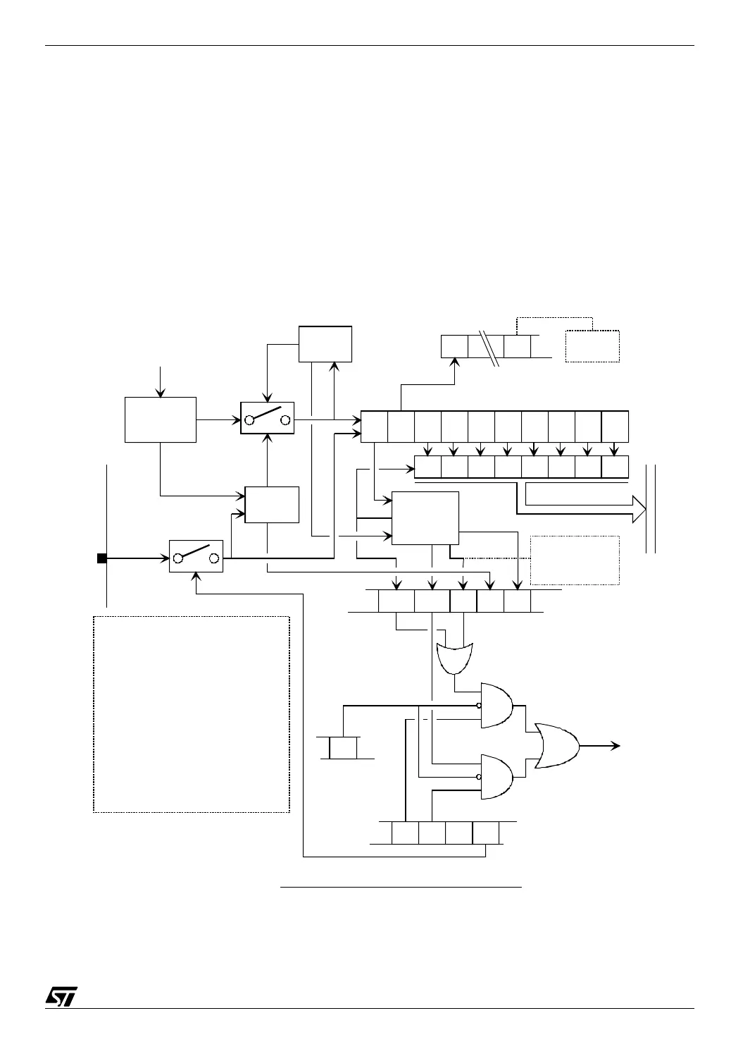
The resynchronization is the most difficult thing. It uses a clock a 16 times the bit rate, and the
state of the receive data pin is checked at each period of that clock. When a falling edge is de-
tected, a mechanism takes that time plus half a bit period as the reference time for the sam-
pling of all subsequent bits. The start bit is also checked to be a zero at the sampling time. It
is not, it is considered a false start bit. The NF bit is set in the SCISR, and the receiving se-
quence is not initiated. All successive bits are shifted into the receive shift register. When the
stopbitarrives,itisalsocheckedforaone.Ifitisazero,theFEbitissetintheSCISR.The
RDRF bit is set when the reception is complete. It can generate an interrupt, so that the re-
ceived character may be picked up.
05-sci2
Receiver
baud rate
generator
f
cpu
Bit
rate
16xBit
rate
Start bit
detection
Good
start bit
ON
Stop876543210
OFF
Receive
counter: 1/9 if M=0
1/10 if M=1
R8 M
SCICR1
only if M=1
1=9 bits
0=8 bits
Bad
start bit
Internal data bus
RDI
RDRF IDLE OR NF FE
SCISR
RDR
Receive shift register
1ifbad
stop bit
1ifRDRF=1
while a good
start bit occurs
Receive
control
I
RIE ILIE RE
SCICR2
CCR
Interrupt to
the core
SCI simplified receive bock diagram
R8:Receive data bit 8
M: Word length
RDRF: Receive data ready flag
IDLE: Idle line detect
OR: Overrun error
NF: Noise flag
FE: Framing error
RIE: Receiver interrupt enable
ILIE: Idle line interrupt enable
RE: Receiver enable

Table of Contents

Related product manuals