EasyManua.ls Logo

ST ST7 - Display Circuit

ST ST7
317 pages
Print Icon
To Next Page IconTo Next Page
To Next Page IconTo Next Page
To Previous Page IconTo Previous Page
To Previous Page IconTo Previous Page
Loading...
295/317
10 - Second Application: a Sailing Computer
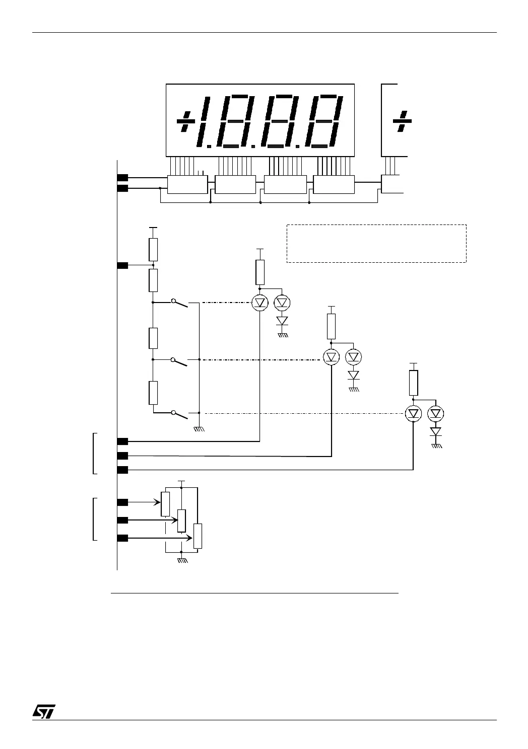
10.3.1 Display circuit
10-schem
MOSI
(Pc5)
SCK
(Pc6)
ST
72311
4094 4094 4094 4094
3 LCD Modules, each driven by 4 shift registers
5v
Pd0
(ain)
1K
330
330
330
Push
buttons:
(2.49v)
(0x7f)
(1.99v)
(0x65)
(1.24v)
(0x3f)
5v
390
5v
390
5v
390
Pa4
Pa5
Pa6
(drain)
Sailing computer: principle of the digital display board
Wind
speed
Wind
angle
Boat
speed
Visible
(green)
Real
(red)
Visible
(green)
Real
(red)
VMG
(red)
Boat speed
(green)
-1st display: Visible / Real Wind speed
-2nd display: Visible / Real Wind angle
-3rd display: Boat Speed / VMG
First display
Pd2
Pd3
Pd4
5v
3x10K
Wind speed calibration
Boat speed calibration
Wind angle calibration
(ain)

Table of Contents

Related product manuals