EasyManua.ls Logo

ST ST7 - Schematic Drawing of the Printed Circuit Board; Developing the Program; Peripherals Used to Implement the Solution

ST ST7
317 pages
Print Icon
To Next Page IconTo Next Page
To Next Page IconTo Next Page
To Previous Page IconTo Previous Page
To Previous Page IconTo Previous Page
Loading...
204/317
7 - Debugger and PROM Programmer Tutorial for ST72251
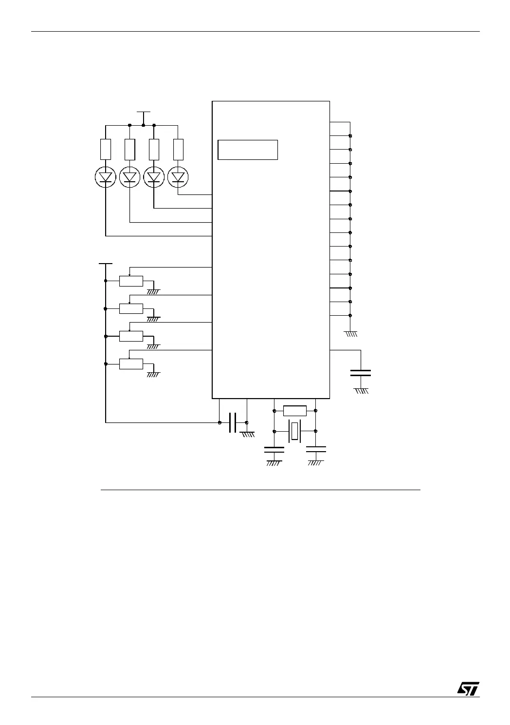
7.5 SCHEMATIC DRAWING OF THE PRINTED CIRCUIT BOARD
The schematic of the resulting board is the following:
07-vfx4
7.6 DEVELOPING THE PROGRAM
7.6.1 Peripherals used to implement the solution
Three peripherals will be used here: the 16-bit Timer, the Analog to Digital Converter, and a
parallel port.
The Analog to Digital Converter is used to convert the input voltage produced by the potenti-
ometer. Since it only converts one channel at a time, the proper channel must be selected
prior to reading the potentiometer position.
Pa4 (21)
Pa5 (20)
Pa6 (19)
Pa7 (18)
Pc0 (17)
Pc1 (16)
Pc2 (15)
Pc3 (14)
VssVdd
33pF
10M
8MHz
Oscin Oscout
ST72E251
10nF
(28) (27)
(2)
(3)
5V
33pF
P2
P3
P4
P1
L2L1 L3
L4
330
330
330
330
5V
Pa0 (25)
Pa1 (24)
Pa2 (23)
Pa3 (22)
4.7K
4.7K
4.7K
4.7K
Reset (1)
1µF
Pc5 (12)
Pc4 (13)
Pb0 (11)
Pb1 (10)
Pb2 (9)
Pb3 (8)
Pb4 (7)
Pb5 (6)
Pb6 (5)
Pb7 (4)
Test (26)
Little kernel : quad voltage to frequency converter ; schematic

Table of Contents

Related product manuals