EasyManua.ls Logo

ST ST7 - Increasing the Resolution

ST ST7
317 pages
Print Icon
To Next Page IconTo Next Page
To Next Page IconTo Next Page
To Previous Page IconTo Previous Page
To Previous Page IconTo Previous Page
Loading...
121/317
5-Peripherals
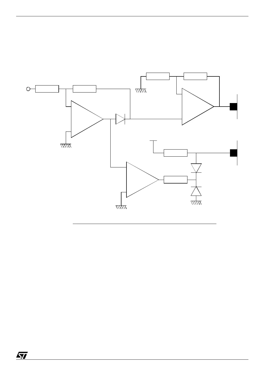
The second method uses an absolute rectifier circuit that produces a voltage that is the abso-
lute value of the input voltage. This circuit also provides a bit that indicates the sign of the input
voltage. Thus the conversion of the whole range is increased by one extra bit that doubles the
resolution.
05-adc2
5.6.4.2 Increasing the resolution
The resolution of the converter is the number of different values of the input voltage that it can
distinguish.This number depends on the actual number of discrete voltages that the converter
can internally produce and compare to the input voltage. It would appear that it is not possible
to change it since it is built into the silicon chip.
Luckily, there are ways of doing it from the outside. Let us examine the principle first, then a
real application.
Let us assume that we feed the converter with a voltage V0. This voltage will lead to the con-
version result Adc0. What does this mean? It means that the converter has seen a voltage
ranging between that of the step Adc0 and that of the step Adc0 + 1. We do not know where
this voltage lies within that range.
V
in
[
0, +Vdd]
RR
R1 R2
V
ana
V
ana
Sign of V
ana
Analog
input
Digital
input
(low =
negative)
Measuring signed voltages using an absolute rectifier
V
dd
+
+
+
-
-
-

Table of Contents

Related product manuals