EasyManua.ls Logo

Sullivan-Palatek 40D - Piping and Instrumentation (Water-Cooled)

Default Icon
114 pages
Print Icon
To Next Page IconTo Next Page
To Next Page IconTo Next Page
To Previous Page IconTo Previous Page
To Previous Page IconTo Previous Page
Loading...
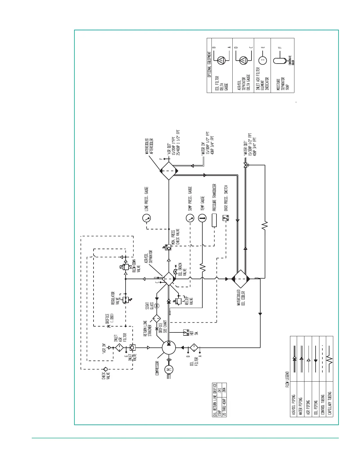
23SPECIFICATIONS
2.13 PIPING AND INSTRUMENTATION (WATER-COOLED)
 

Table of Contents

Related product manuals