EasyManua.ls Logo

Sullivan-Palatek 40D - Wiring Diagram, MFV (208;230;460 V)

Default Icon
114 pages
Print Icon
To Next Page IconTo Next Page
To Next Page IconTo Next Page
To Previous Page IconTo Previous Page
To Previous Page IconTo Previous Page
Loading...
24 SPECIFICATIONS
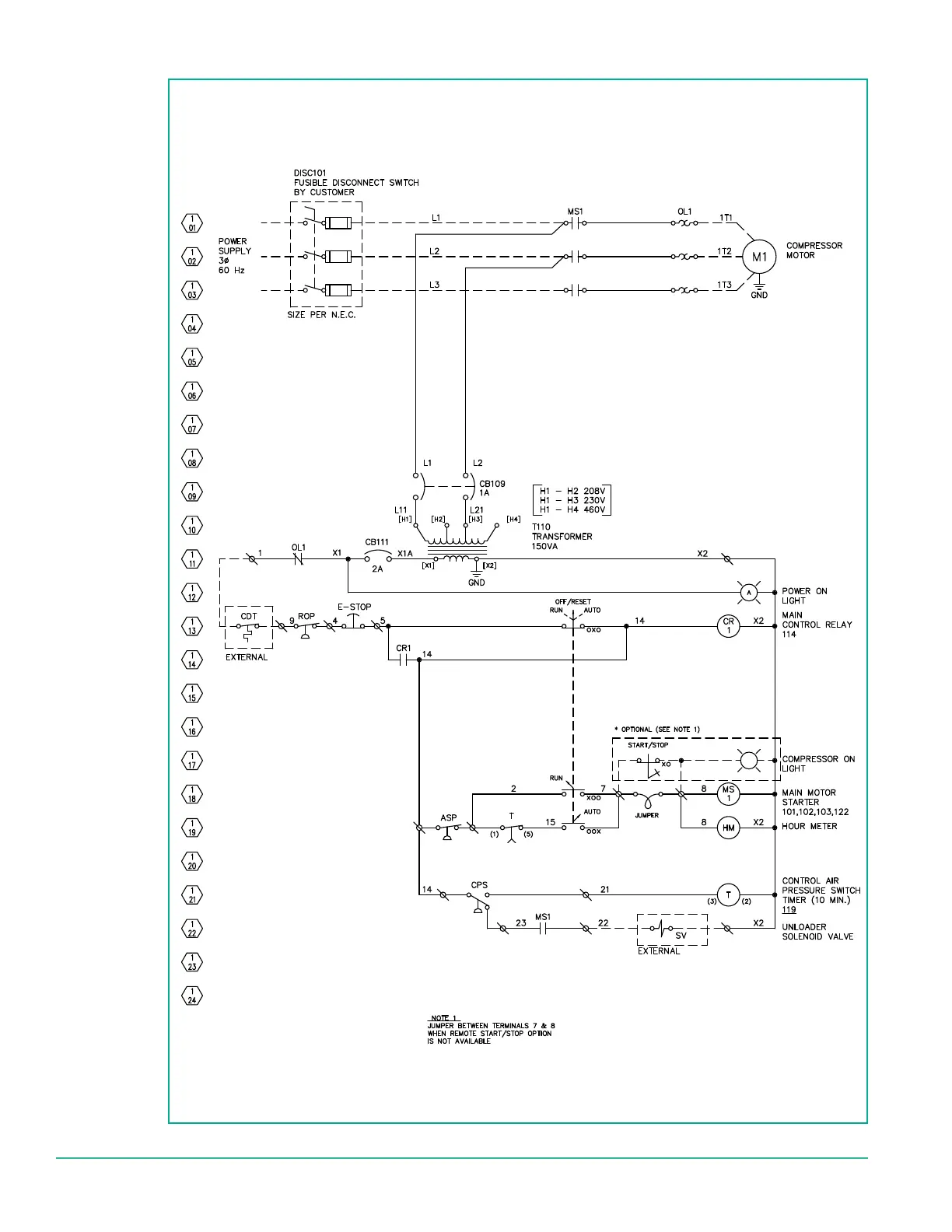
2.14 WIRING DIAGRAM, MFV (208/230/460V)
DWG NO.
DATE:
MATL:
DRAWN BY:
00
DO NOT SCALE DRAWING
TOLERANCES
UNLESS OTHERWISE NOTED
DIMENSIONS ARE IN INCHES
ANGLES....... ±1/2 °
MACHINED......±1/64"
STRUCTURAL....±1/16"
0" TO 12"....030"
12" TO 36"....060"
A
SULLIVAN
PALATEK
N/A
SHEET:
1 OF1
REV
SIZE
SCALE:
15-40HP EM, MFV WITH ESTOP
WD-00065
1201 Highway 20 West Michigan City, Indiana 46360
1/23/2015
N/A
GET
TITLE:
CONFIDENTIAL INFORMATION. IT MUST BE USED STRICTLY FOR THE LIMITED PURPOSE
SUBMITTED AND IS SUBJECT TO RETURN UPON DEMAND. ANY DISCLOSURE, REPRODUCTION
OR OTHER USE IS EXPRESSLY PROHIBITED EXCEPT AS OTHERWISE AGREED UPON IN WRITING.
THIS DOCUMENT IS THE PROPERTY OF PALATEK INC. AND CONTAINS PROPRIETARY AND
 

Table of Contents

Related product manuals