EasyManua.ls Logo

SYNAPTICON SOMANET Node 400 - Drive Module

Default Icon
60 pages
Print Icon
To Next Page IconTo Next Page
To Next Page IconTo Next Page
To Previous Page IconTo Previous Page
To Previous Page IconTo Previous Page
Loading...
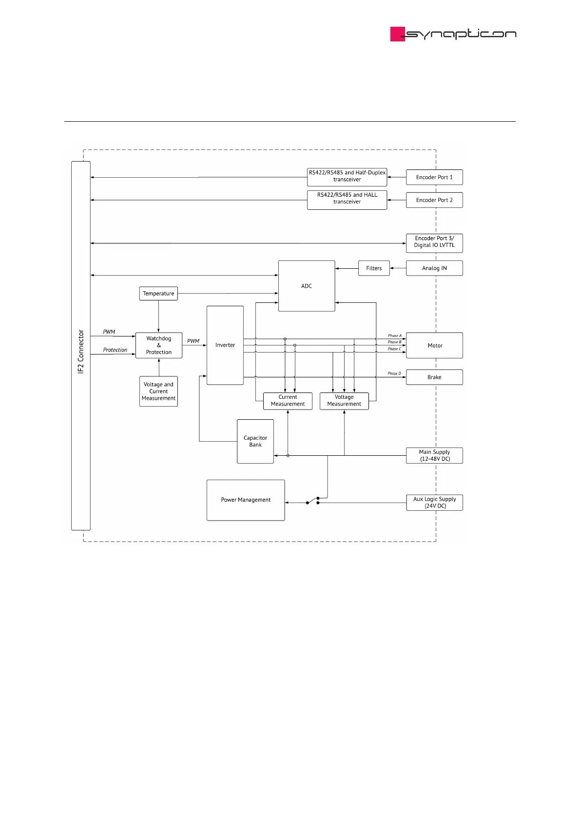
1.2.3 Drive module
Hardware Manuals / SOMANET Node / SOMANET Node rev. E.1
© 2020 Synapticon GmbH | Daimlerstraße 26 | D-71101 Schönaich Documentation v 3.2.0 | Build: 2020-05-25 11/60

Table of Contents

Other manuals for SYNAPTICON SOMANET Node 400

Related product manuals