EasyManua.ls Logo

SYNAPTICON SOMANET Node 400 - Safety PLC PP (Plus-Plus Output) + Drives

Default Icon
60 pages
Print Icon
To Next Page IconTo Next Page
To Next Page IconTo Next Page
To Previous Page IconTo Previous Page
To Previous Page IconTo Previous Page
Loading...
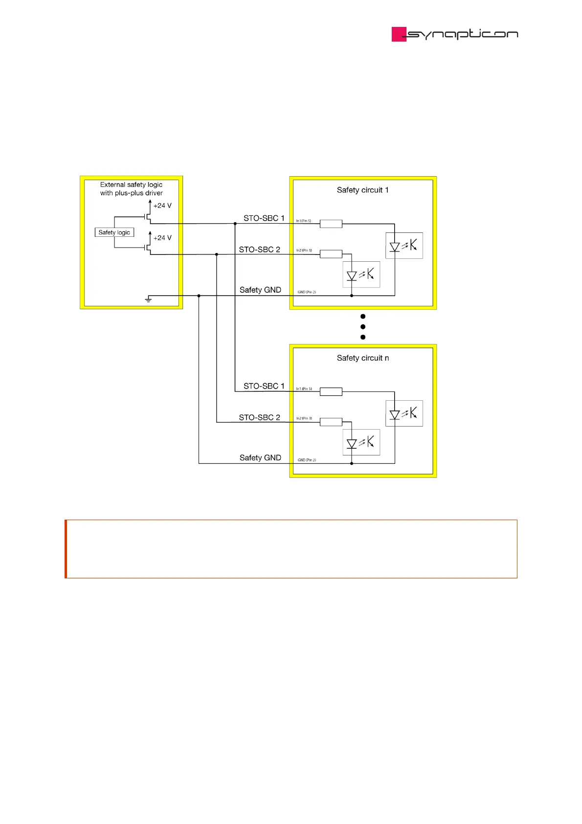
1.5.6.3.3 Safety PLC PP (Plus-Plus output) + drives
Allows safety functions up to SIL 3, PL e, cat.3.
For example: Safety PLC output or safety sensors (e.g. Safety light curtain, safety scanner etc.)
Attention
Attention
In case of multiple drive connection, ensure that the output driver has sufficient current driving
In case of multiple drive connection, ensure that the output driver has sufficient current driving
capability.
capability.
Hardware Manuals / SOMANET Node / SOMANET Node rev. E.1
© 2020 Synapticon GmbH | Daimlerstraße 26 | D-71101 Schönaich Documentation v 3.2.0 | Build: 2020-05-25 47/60

Table of Contents

Other manuals for SYNAPTICON SOMANET Node 400

Related product manuals