EasyManua.ls Logo

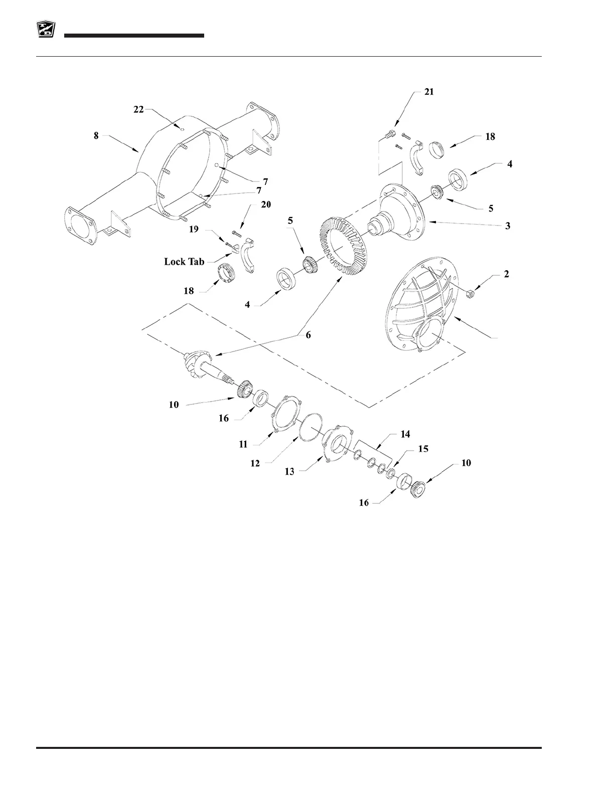
Taylor-Dunn E-451 - TransAxle Assembly, Rear

Taylor-Dunn E-451
116 pages
Print Icon
To Next Page IconTo Next Page
To Next Page IconTo Next Page
To Previous Page IconTo Previous Page
To Previous Page IconTo Previous Page
Loading...
Replacement Parts
Page 94 ME-45X-01
E-451 & E-457
TRANSAXLE ASSEMBLY, REAR

Table of Contents

Related product manuals