EasyManua.ls Logo

Tektronix 434 - Page 41

Tektronix 434
222 pages
Print Icon
To Next Page IconTo Next Page
To Next Page IconTo Next Page
To Previous Page IconTo Previous Page
To Previous Page IconTo Previous Page
Loading...
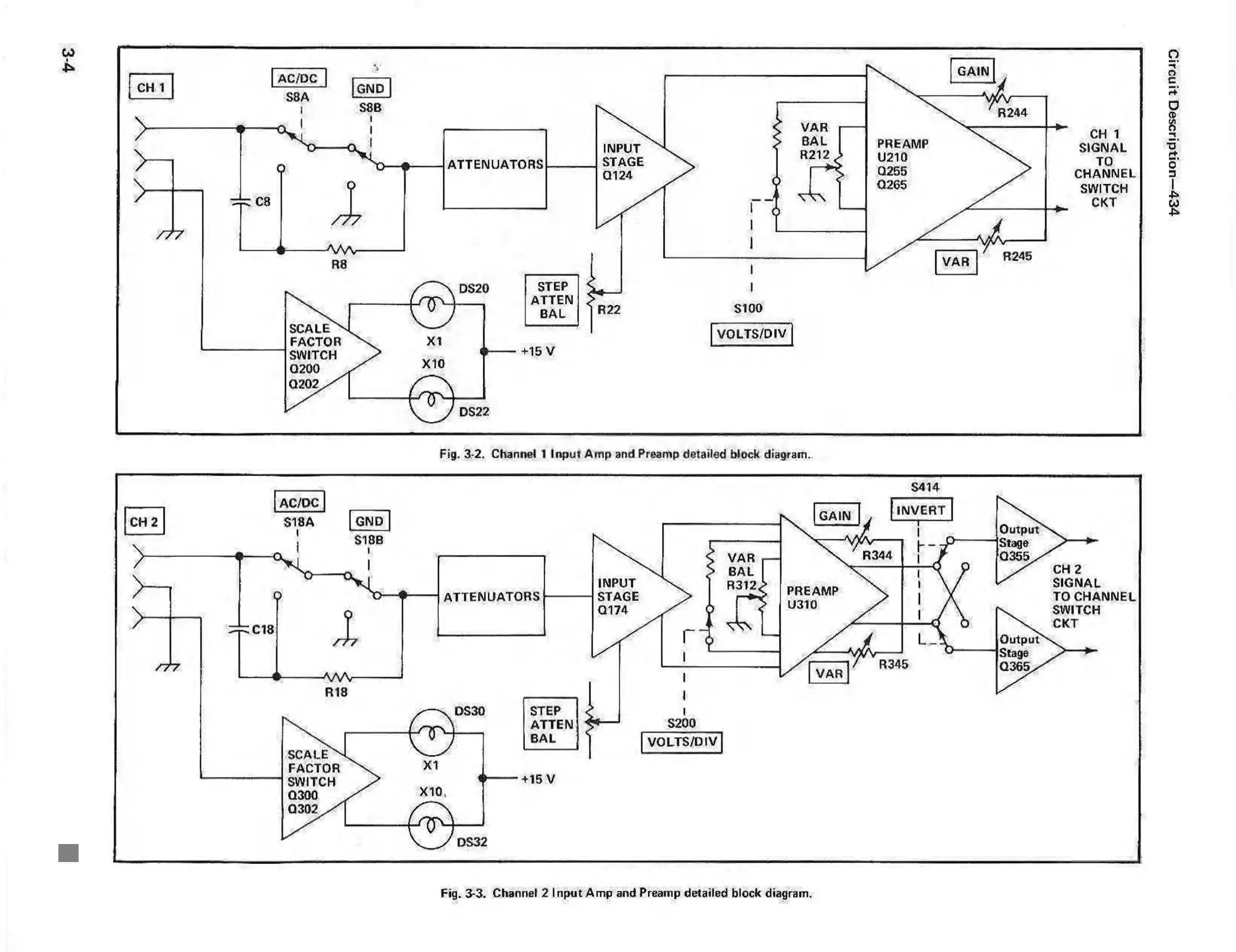
Fig. 3-3. Channel 2 Input A m p and Preamp detailed block diagram.
C irc u it D e s c rip tio n 4 3 4

Table of Contents

Related product manuals