EasyManua.ls Logo

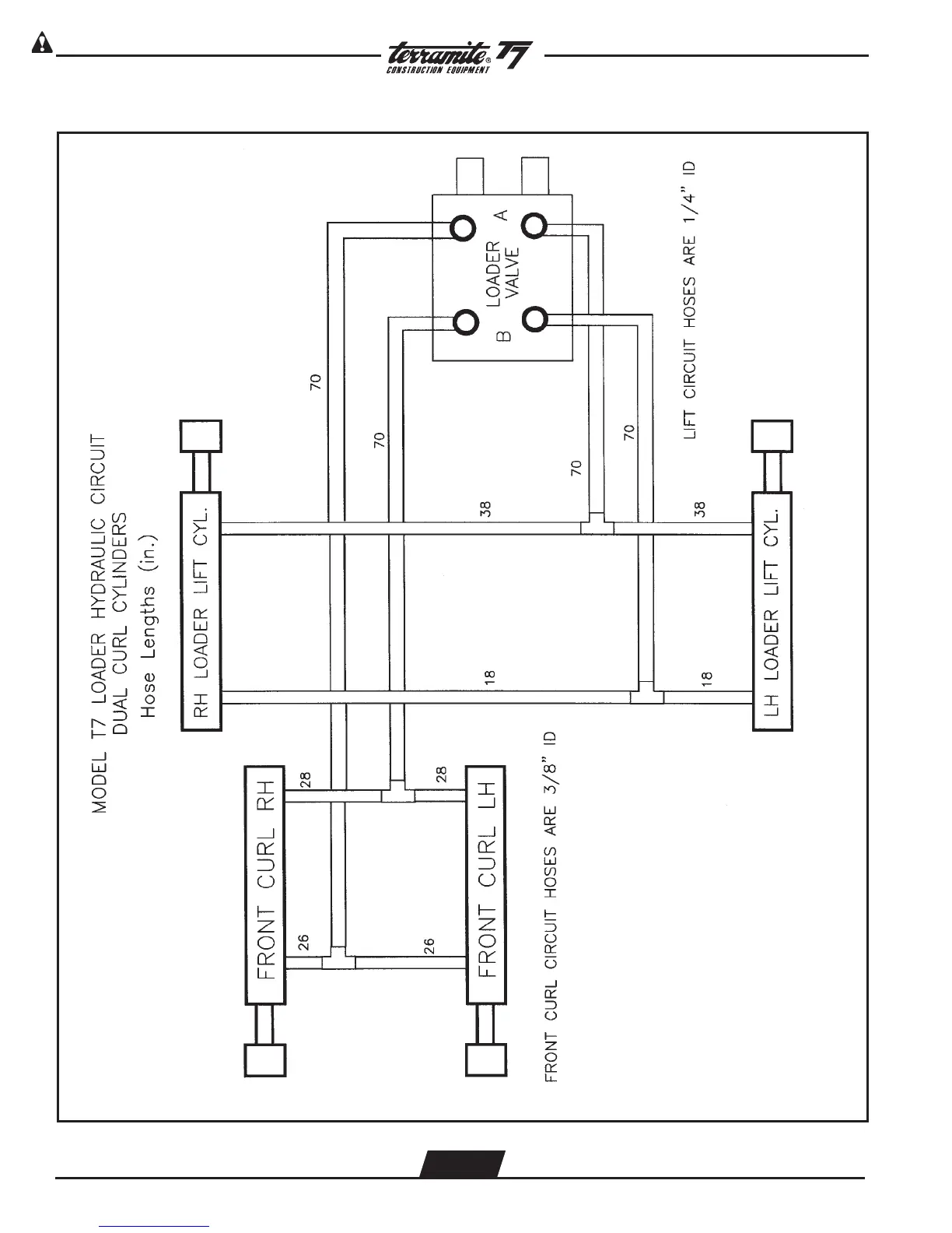
Terramite T5D - T7 Loader Hydraulic Circuit Hose Lengths (In.)

Terramite T5D
128 pages
Print Icon
To Next Page IconTo Next Page
To Next Page IconTo Next Page
To Previous Page IconTo Previous Page
To Previous Page IconTo Previous Page
Loading...
WWW.TERRAMITE.COM
Charleston, WV/USA
USA 1.800.428.3772
Intl. 1 .304.776.4231
Read Operators Manual For Safety PARTS MANUAL
Copyright © 2007 Terramite Corporation
T7 Loader Hydraulic Circuit Hose Lengths (in.)
4.40

Table of Contents