EasyManua.ls Logo

Terramite T5D - Technical Diagrams and Specifications

Terramite T5D
128 pages
Print Icon
To Next Page IconTo Next Page
To Next Page IconTo Next Page
To Previous Page IconTo Previous Page
To Previous Page IconTo Previous Page
Loading...
WWW.TERRAMITE.COM
Charleston, WV/USA
USA 1.800.428.3772
Intl. 1 .304.776.4231
Read Operators Manual For SafetyPARTS MANUAL
Copyright © 2007 Terramite Corporation
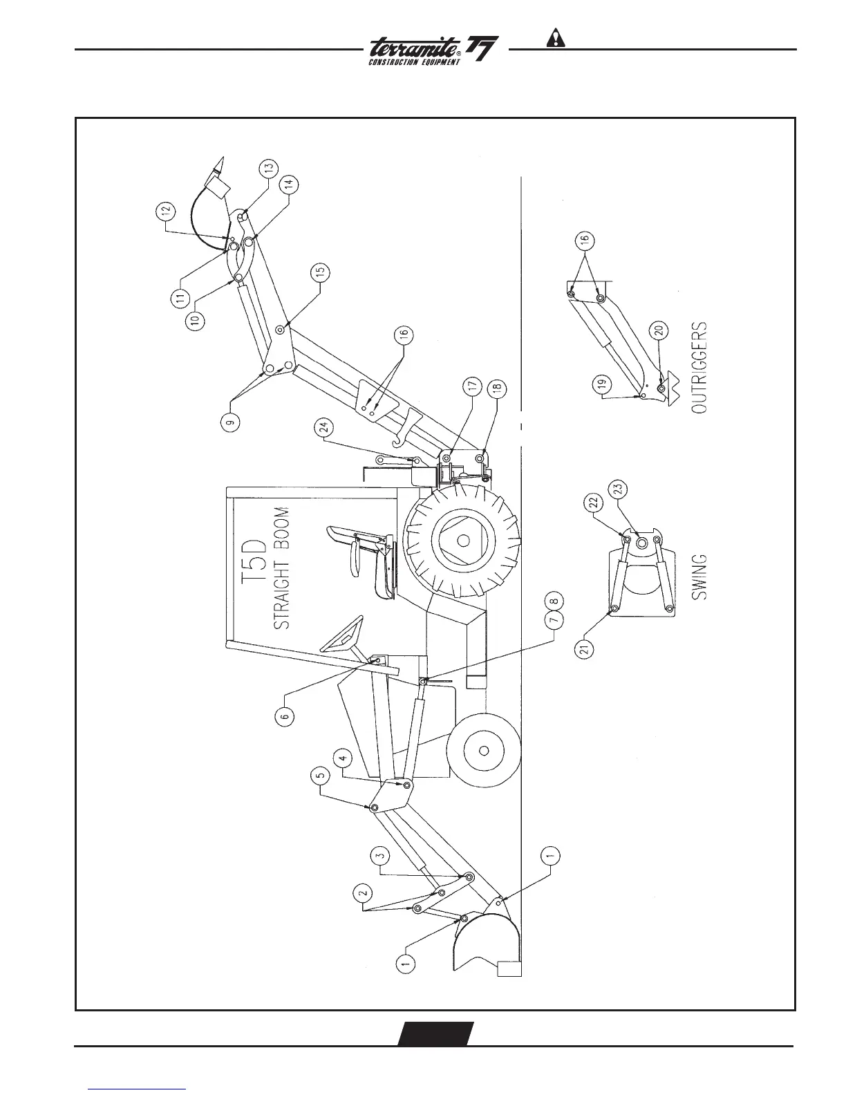
T5D/T7 Pin Chart (Straight Boom)
4.1

Table of Contents