EasyManua.ls Logo

Thytronic Pro-N NVA100X-D - Page 141

Thytronic Pro-N NVA100X-D
376 pages
Print Icon
To Next Page IconTo Next Page
To Next Page IconTo Next Page
To Previous Page IconTo Previous Page
To Previous Page IconTo Previous Page
Loading...
FUNCTION CHARACTERISTICS
141
NVA100X-D - Manual - 02 - 2016
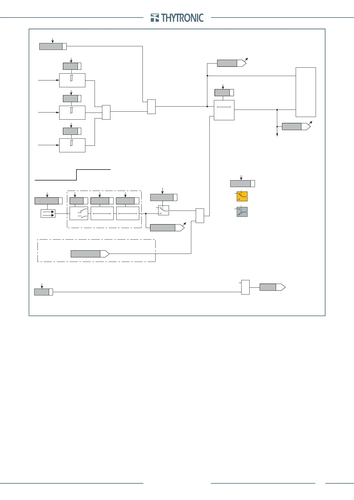
51LR-diagram.ai
BF Enable (ONEnable)
ILR>BF
towards BF logic
ILR> BF
&
Trip ILR>
t
LR
>
inv
0T
RESET
Start ILR>
Trip ILR>
TRIPPING MATRIX
(LED+RELAYS)
ILR>TR-K
ILR>TR-L
ILR>ST-K
t
LR
>
inv
I
L1L
I
L2L
1
1
ONEnable ILR> element
&
I
L3L
ILR> Enable
I
L1L
I
LR
>
inv
I
LR
>
inv
I
L2L
I
LR
>
inv
I
LR
>
inv
I
L3L
I
LR
>
inv
I
LR
>
inv
ILR> overcurrent element (51LR) block diagram
Block1, Block2
STOP RUNNING
Mode51LR>
Binary input INx
T0
Logic
INx
t
ON
INx
t
ON
INx
t
OFF
T0
n.o.
n.c.
INx
t
OFF
Speed control
Speed control
“0”
Speed control
Mode51LR
“0”
“0”
without speed control
with speed control
Locked rotor - First element logic diagram

Table of Contents

Related product manuals