EasyManua.ls Logo

Thytronic Pro-N NVA100X-D - Page 142

Thytronic Pro-N NVA100X-D
376 pages
Print Icon
To Next Page IconTo Next Page
To Next Page IconTo Next Page
To Previous Page IconTo Previous Page
To Previous Page IconTo Previous Page
Loading...
142
NVA100X-D - Manual - 02 - 2016
FUNCTION CHARACTERISTICS
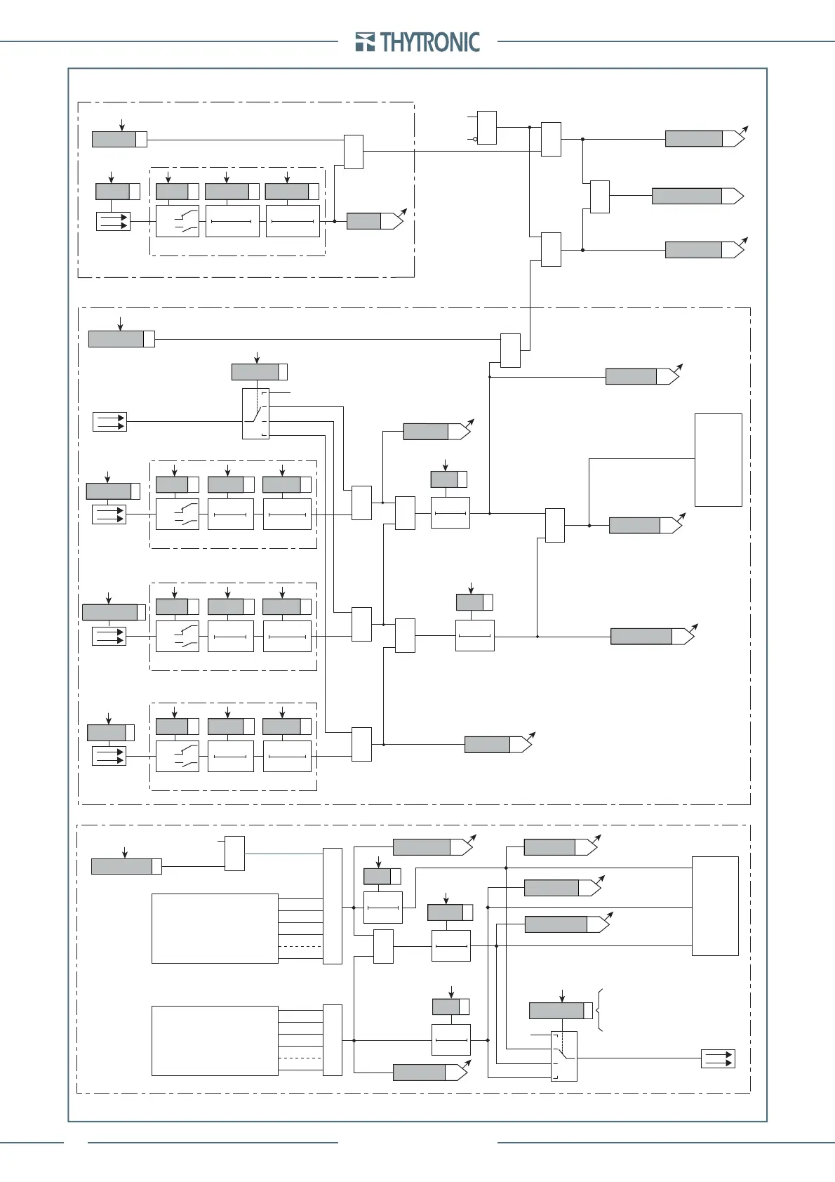
Locked rotor (first element) - Logic diagram of the blocking signals
51LR_BL-diagram.ai
Binary input INx
T0
Logic
INx
t
ON
INx
t
ON
INx
t
OFF
T0
n.o.
n.c.
INx
t
OFF
Binary input INx
T0
Logic
INx
t
ON
INx
t
ON
INx
t
OFF
T0
n.o.
n.c.
INx
t
OFF
Binary input INx
T0
Logic
INx
t
ON
INx
t
ON
INx
t
OFF
T0
n.o.
n.c.
INx
t
OFF
Binary input INx
T0
Logic
INx
t
ON
INx
t
ON
INx
t
OFF
T0
n.o.
n.c.
INx
t
OFF
Block2 IPh
Block2 IPh/IE
ModeBLIN1
T0
t
B-Iph
1
1
1
1
t
B-Iph
t
B-IE
BLK1ILR>
&
&
BLK2IN ILR>
&
&
Enable (ONEnable)
ILR>BLK1
Block2 input enable (ONEnable)
Pilot wire input
&
ILR>BLK2IN
Block1
BLK2IN-Iph
Start ILR>
Trip ILR>
Iph Block2
IE Block2
BLK2IN-IE
tB timeout
Block2 input
tB-K
tB-L
Block1
FROM ANY PROTECTIONS
FROM PHASE PROTECTIONS
OFF
ON IPh
ON IPh/IE
ON IE
BLIN1
Block1
T0
t
B-IE
Block2 IE
1
Block1, Block2
TRIPPING MATRIX
(LED+RELAYS)
1
1
Pilot wire output
TRIPPING MATRIX
(LED+RELAYS)
ModeBLOUT1
A
B
C
D
BLOUT1
Block2 output
1
t
F-IPh
t
F-IPh/IE
t
F-IE
ST-Iph BLK2
ST-IE BLK2
T0
t
F-IPh/IE
T0
t
F-IPh
T0
t
F-IE
BLK2OUT-Iph
BLK2OUT-Iph/IE
BLK2OUT-IE
&
Block2 output
(ONEnable)
ILR>BLK2OUT
Start I
LR
>
A = OFF
B = ON IPh
C = ON IPh/IE
D = ON IE
BLK2OUT-IPh-K
BLK2OUT-IPh-L
BLK2OUT-IPh/IE-K
BLK2OUT-IPh/IE-L
BLK2OUT-IE-K
BLK2OUT-IE-L
FROM EARTH FAULT PROTECTIONS
I
LR
> Block2 OUT
All other BLK2OUT outputs
of phase elements
(see BLK2OUT chapter)
1
All BLK2OUT outputs
of ground elements
(see BLK2OUT chapter)
1

Table of Contents

Related product manuals