EasyManua.ls Logo

Thytronic Pro-N NVA100X-D - Page 148

Thytronic Pro-N NVA100X-D
376 pages
Print Icon
To Next Page IconTo Next Page
To Next Page IconTo Next Page
To Previous Page IconTo Previous Page
To Previous Page IconTo Previous Page
Loading...
148
NVA100X-D - Manual - 02 - 2016
FUNCTION CHARACTERISTICS
t
-I/U>RES
t
-I/U>def
I-I/U>
ST-K
I-I/U>
TR-K
I-I/U>
TR-L
I-I/U>
ST-L
F_51V-VC_S1.ai
U
12
U
23
U
-I/U
<
U
23
I
L1L
I
L2L
U
31
I
L1L
> threshold
I
L2L
> threshold
U U
-I/U
<” U > U
-I/U
<”
U
-I/U
<
I
-I/U>def
K
KI
-I/U
>
I
-I/U
>
from I-51V>> element (ONInhibit)
I-51V> inhibition
&
&
&
t
-I/U>RES
T0
RESET
t
-I/U>def
0T
I-I/U> Start
I-I/U> Trip
74VT Block
VT fault (74VT)
(=0 without fault)
I-I/U> Trip
BF Enable (ONEnable)
BF Element
towards BF logic
I-I/U>
_OUT
&
TRIPPING MATRIX
(LED+RELAYS)
U
31
U
-I/U
<
U
12
U
-I/U
<
1
1
Block1, Block2
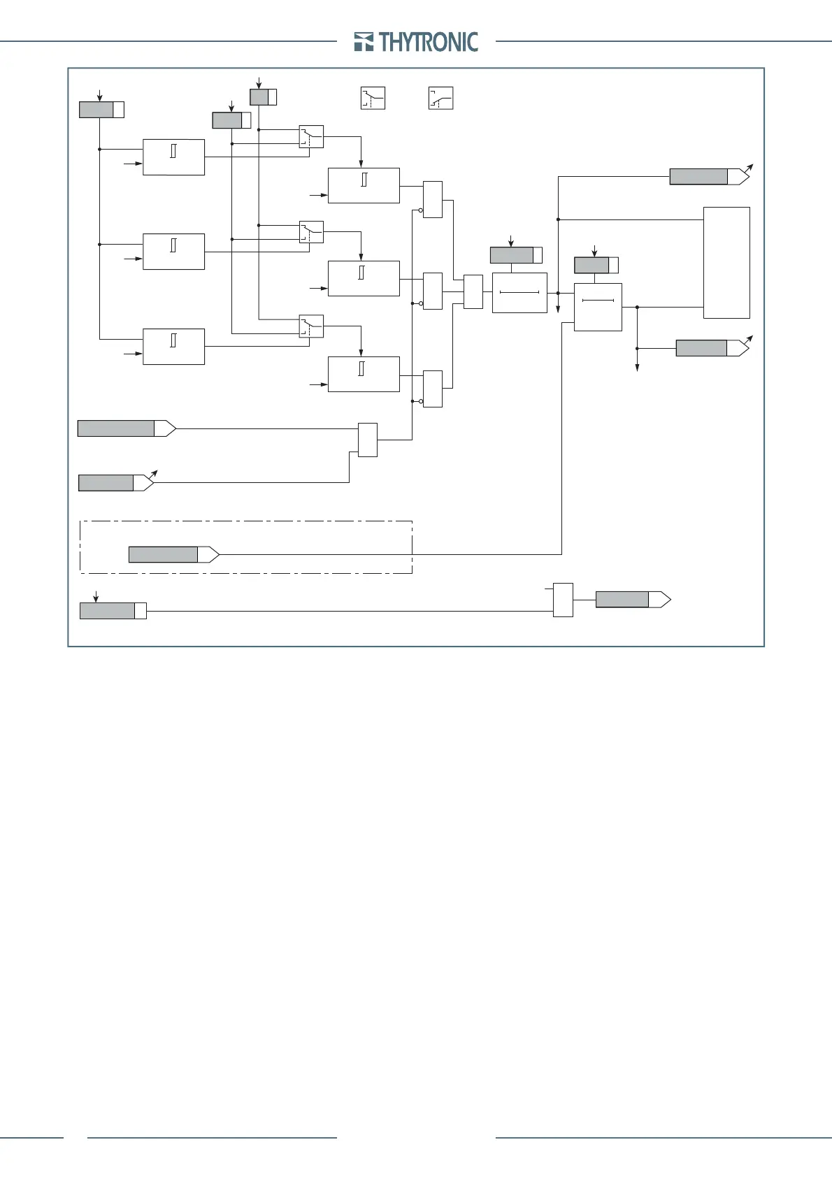
I-I/U> element (51V) Block diagram
I
L3L
I
L3L
> threshold
Voltage controlled overcurrent (51V) - First element logic diagram

Table of Contents

Related product manuals