EasyManua.ls Logo

Thytronic Pro-N NVA100X-D - Page 149

Thytronic Pro-N NVA100X-D
376 pages
Print Icon
To Next Page IconTo Next Page
To Next Page IconTo Next Page
To Previous Page IconTo Previous Page
To Previous Page IconTo Previous Page
Loading...
FUNCTION CHARACTERISTICS
149
NVA100X-D - Manual - 02 - 2016
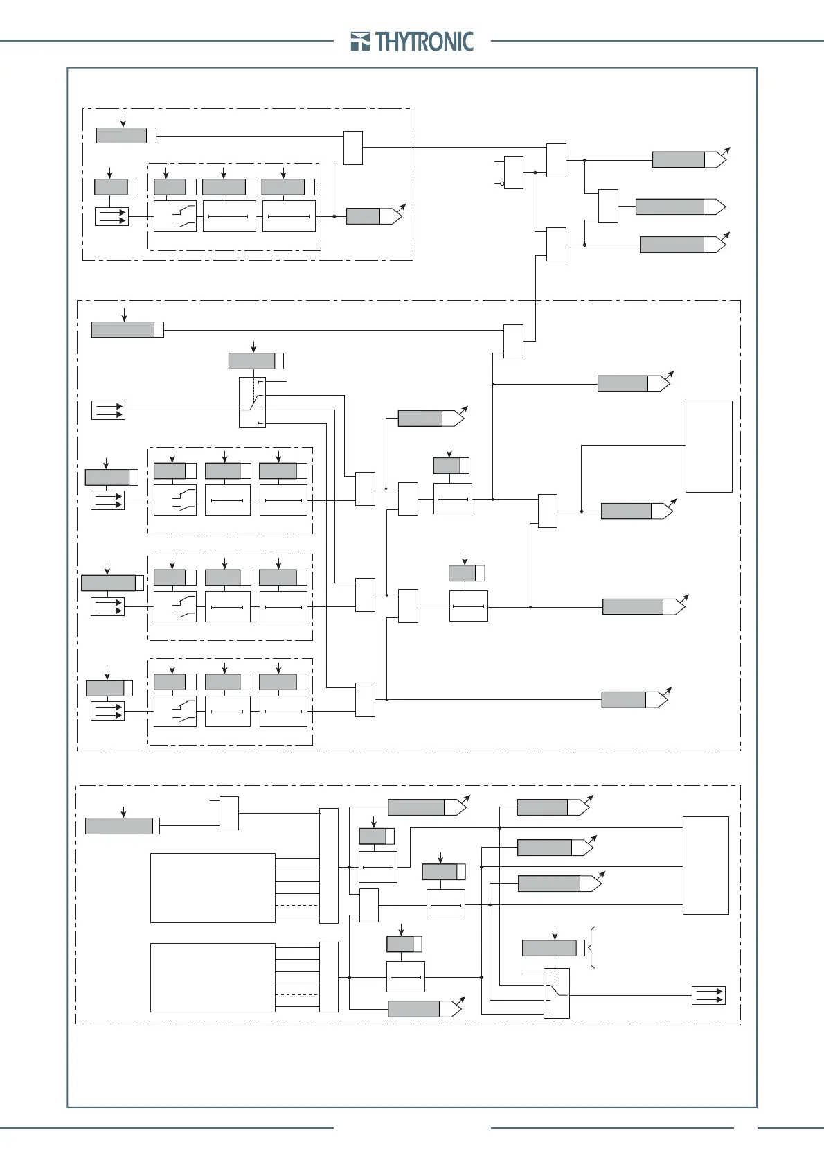
Voltage dependant overcurrent (51V) - Logic diagram of the blocking signals concerning the first element
50-51S3_BL-diagram.ai
Start I-I/U>
Trip I-I/U>
Pilot wire output
TRIPPING MATRIX
(LED+RELAYS)
ModeBLOUT1
A
B
C
D
BLOUT1
Block2 output
1
t
F-IPh
t
F-IPh/IE
t
F-IE
ST-Iph BLK2
ST-IE BLK2
&
Block2 output
(ONEnable)
I-I/U>BLK2OUT
Start I-I/U>
T0
t
F-IPh/IE
T0
t
F-IPh
T0
t
F-IE
BLK2OUT-Iph
BLK2OUT-Iph/IE
BLK2OUT-IE
A = OFF
B = ON IPh
C = ON IPh/IE
D = ON IE
BLK2OUT-IPh-K
BLK2OUT-IPh-L
BLK2OUT-IPh/IE-K
BLK2OUT-IPh/IE-L
BLK2OUT-IE-K
BLK2OUT-IE-L
Binary input INx
T0
Logic
INx
t
ON
INx
t
ON
INx
t
OFF
T0
n.o.
n.c.
INx
t
OFF
Binary input INx
T0
Logic
INx
t
ON
INx
t
ON
INx
t
OFF
T0
n.o.
n.c.
INx
t
OFF
Binary input INx
T0
Logic
INx
t
ON
INx
t
ON
INx
t
OFF
T0
n.o.
n.c.
INx
t
OFF
Binary input INx
T0
Logic
INx
t
ON
INx
t
ON
INx
t
OFF
T0
n.o.
n.c.
INx
t
OFF
Block2 IPh
Block2 IPh/IE
ModeBLIN1
T0
t
B-Iph
1
1
1
1
1
t
B-Iph
t
B-IE
BLK1I-I/U>
&
&
BLK2IN I-I/U>
&
&
Enable (ONEnable)
I-I/U>BLK1
Block2 input enable (ONEnable)
Pilot wire input
&
I-I/U>BLK2IN
Block1
BLK2IN-Iph
Iph Block2
IE Block2
BLK2IN-IE
tB timeout
Block2 input
tB-K
tB-L
Block1
FROM GROUND PROTECTIONS
FROM PHASE PROTECTIONS
FROM ANY PROTECTIONS
OFF
ON IPh
ON IPh/IE
ON IE
BLIN1
I-I/U> Block2 OUT
Block1
T0
t
B-IE
Block2 IE
Block1, Block2
TRIPPING MATRIX
(LED+RELAYS)
1
1
All other BLK2OUT outputs
of phase elements
(see BLK2OUT chapter)
1
All BLK2OUT outputs
of ground elements
(see BLK2OUT chapter)
1

Table of Contents

Related product manuals