EasyManua.ls Logo

Thytronic Pro-N NVA100X-D - Page 178

Thytronic Pro-N NVA100X-D
376 pages
Print Icon
To Next Page IconTo Next Page
To Next Page IconTo Next Page
To Previous Page IconTo Previous Page
To Previous Page IconTo Previous Page
Loading...
178
NVA100X-D - Manual - 02 - 2016
FUNCTION CHARACTERISTICS
The fi rst threshold trip (U>) may be inhibited by start of the second threshold (U>>) by setting ON
the U> Disabling by U>> start (U>disbyU>>) parameter available inside the Set \ Profi le A(or B) \
Overvoltage-59 \ U>> Element \ Setpoints menu.
Breaker failure (BF)
Both overvoltage elements can produce the Breaker Failure output if the U> BF and U>>BF pa-
rameters are set to ON.
The parameters are available inside the Set \Profi le A(or B) \ Overvoltage - 59 \ U> Element (U>>
Element) \ Setpoints menus.
[1]
.
Note 1 The common settings concerning the Breaker failure protection are adjustable inside the Breaker Failure - BF menu.
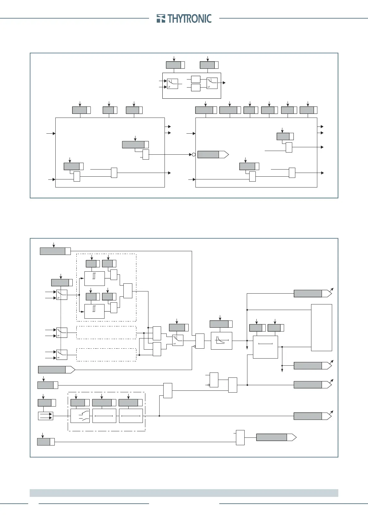
all-F59.ai
General logic diagram of the overvoltage elements - 59
U U
U> Element
U>> Element
Start U>>
Start U>> Start U>
Trip U>Trip U>>
&
U> disbyU>>
U> inhibition
t
U>
def
t
U>
inv
U>
def
t
U>>
def
U>>
def
U>
inv
U> CurveU> EnableState
Block1
BLK1U>
&
U>BLK1
Start U>
&
Block1
BLK1U>>
&
U>>BLK1
Start U>>
&
U>BF
Trip U>
&
U>BF
AND
U
12
,U
23
,U
31
U
U
L1
,U
L2
,U
L3
OR
Common configuration
Utype59
Logic59
Fun-F59_S1.ai
U> Curve
0T
RESET
t
U>
0T
TRIPPING MATRIX
(LED+RELAYS)
t
U>def
t
U>inv
Start U>
U>ST-K
Start U>
U>TR-K
U>ST-L
U>TR-L
Trip U>
Trip U>
Trip U>
BF Enable (ONEnable)
U>BF
towards BF logic
&
BLK1U>
U> BF
&
&
&
Enable (ONEnable)
Block1 input (ONBlock)
U>BLK1
Block1
Block1
Binary input INx
T0
Logic
INx
t
ON
INx
t
ON
INx
t
OFF
T0
n.o.
n.c.
INx
t
OFF
U> Inhibition
(ON
Inhibit
)
&
Logic59
≥1
&
Utype59
U
L1
U
12
U
L2
U
23
U
L3
U
31
1
&
State
U>
inv
U
U>
def
U
U>
inv
U>
def
&
State
ONEnable U> overvoltage element
U> Enable
Logic diagram concerning the first threshold (U>) of the overvoltage element - 59

Table of Contents

Related product manuals