EasyManua.ls Logo

Thytronic Pro-N NVA100X-D - Page 179

Thytronic Pro-N NVA100X-D
376 pages
Print Icon
To Next Page IconTo Next Page
To Next Page IconTo Next Page
To Previous Page IconTo Previous Page
To Previous Page IconTo Previous Page
Loading...
FUNCTION CHARACTERISTICS
179
NVA100X-D - Manual - 02 - 2016
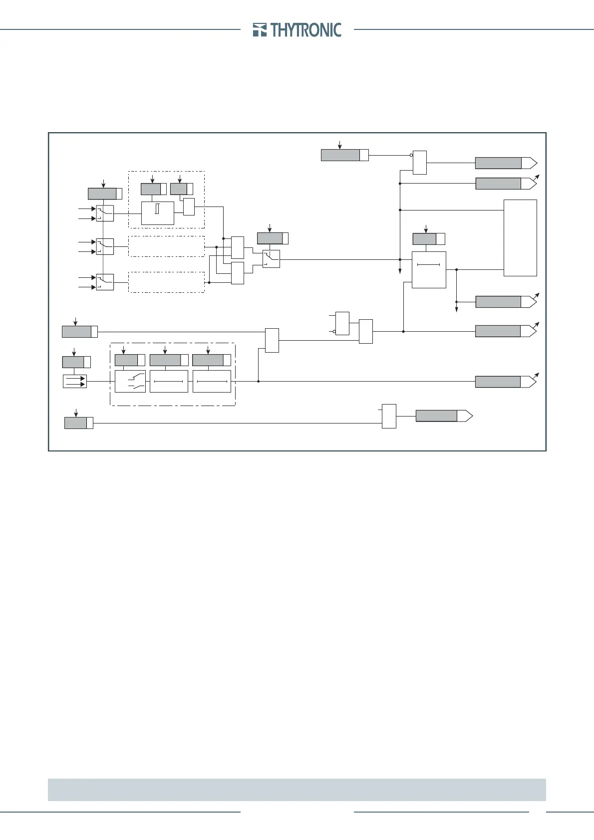
Logical block (Block1)
If the U>BLK1 and/or U>>BLK1 enabling parameters are set to ON and a binary input is designed
for logical block (Block1), the protection is blocked off whenever the given input is active.
The trip timer is held in reset condition, so the operate time counting starts when the input block goes
down.
[1]
The enabling parameters are available inside the Set \ Profi le A(or B) \ Overvoltage - 59 \
U> Element (U>> Element) \Setpoints menus, while the Block1 function must be assigned to the
selected binary input inside the Set \ Board1(2) inputs \ Binary input IN1-1...INx-x) menus.
All the parameters can be set separately for Profi le A and Profi le B.
Note 1 The exhaustive treatment of the logical block (Block 1) function may be found in the “Logic Block” paragraph inside CONTROL AND MONITOR-
ING section.
Fun-F59_S2.ai
RESET
t
U>>
0T
TRIPPING MATRIX
(LED+RELAYS)
t
U>>def
Start U>>
Start U>>
Trip U>>
Trip U>>
Trip U>>
BF Enable (ONEnable)
towards BF logic
&
U>> BF
&
&
&
Enable (ONEnable)
Block1 input (ONBlock)
Block1
Block1
&
(ON
Inhibit
)
U> Inhibition
U>disbyU>>
Binary input INx
T0
Logic
INx
t
ON
INx
t
ON
INx
t
OFF
T0
n.o.
n.c.
INx
t
OFF
U>>ST-K
U>>TR-K
U>>ST-L
U>>TR-L
U>>BF
BLK1U>
U>>BLK1
Logic59
≥1
&
Utype59
U
L1
U
12
U
L2
U
23
U
L3
U
31
&
State
U
U>>
def
U>>
def
Logic diagram concerning the second threshold (U>>) of the overvoltage element - 59

Table of Contents

Related product manuals