EasyManua.ls Logo

Thytronic Pro-N NVA100X-D - Page 183

Thytronic Pro-N NVA100X-D
376 pages
Print Icon
To Next Page IconTo Next Page
To Next Page IconTo Next Page
To Previous Page IconTo Previous Page
To Previous Page IconTo Previous Page
Loading...
FUNCTION CHARACTERISTICS
183
NVA100X-D - Manual - 02 - 2016
Fun-F59N_S1.ai
1
U
E
> Inhibition
(ON
Inhibit
)
Block 74VT
(ON
Inhibit
)
&
U
E
> Curve
0T
RESET
t
UE>
0T
TRIPPING MATRIX
(LED+RELAYS)
t
UE>def
t
UE>inv
Start U
E
>
U
E
>ST-K
U
E
>ST-L
Start U
E
>
Trip U
E
>
U
E
>TR-K
U
E
>TR-L
Trip U
E
>
Trip U
E
>
BF Enable (ONEnable)
UE>BF
towards BF logic
&
Block1 U
E
>
74VT ext.
U
E
> BF
&
&
&
Enable (ONEnable)
Block1 input (ONBlock)
Block1
Block1
Block1
Binary input INx
T0
Logic
INx
t
ON
INx
t
ON
INx
t
OFF
T0
n.o.
n.c.
INx
t
OFF
&
Enable (ONEnable)
74VTint59N
74VText.
Binary input INx
T0
Logic
INx
t
ON
INx
t
ON
INx
t
OFF
T0
n.o.
n.c.
INx
t
OFF
t
UE>RES
T0
t
UE>RES
ONEnable UE> residual overvoltage element
UE> Enable
U
E
U
E
>def
U
E
>inv
1
&
State
U
E
U
E
>def
U
E
U
E
>inv
&
State
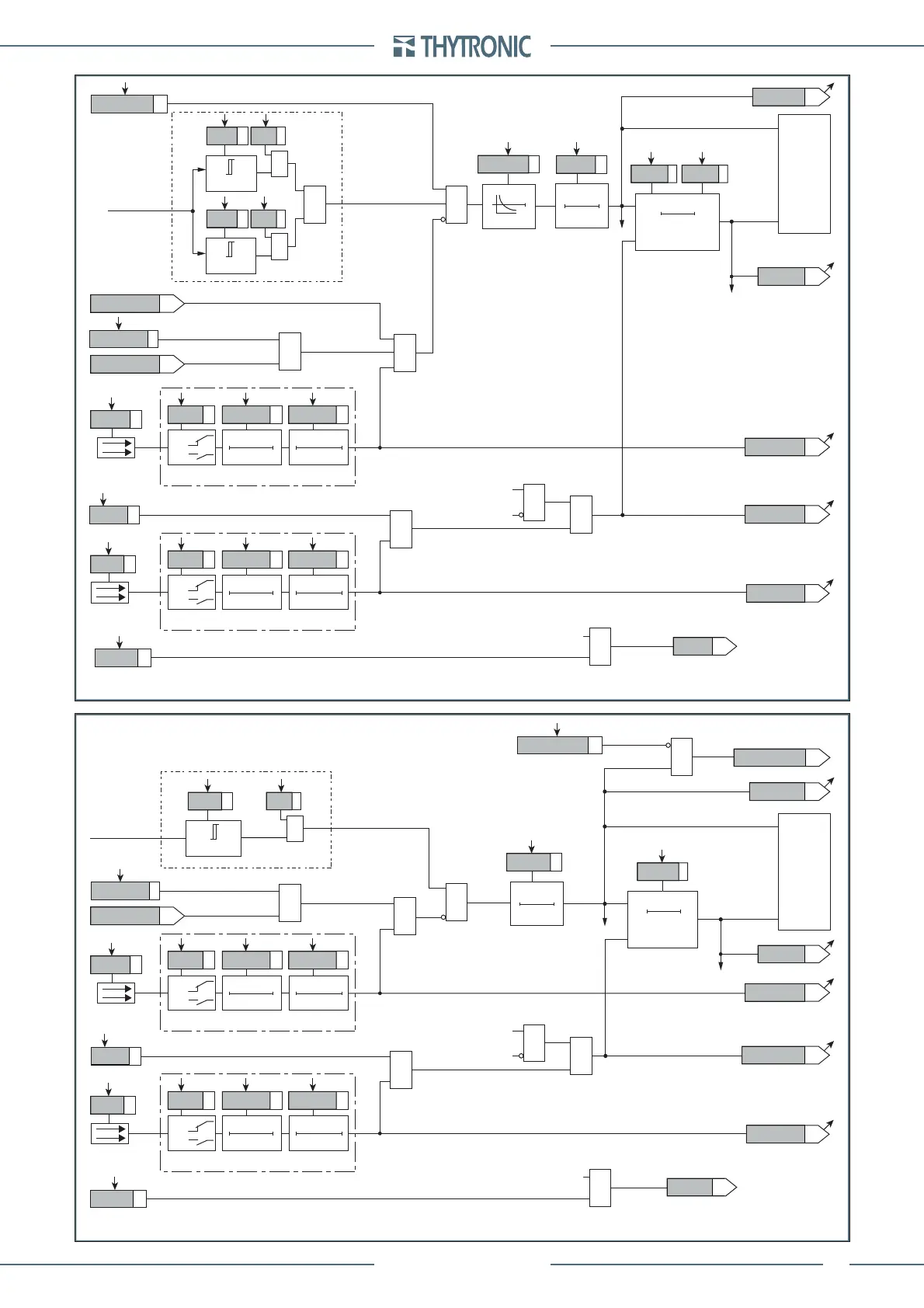
Logic diagram concerning the first threshold (UE>) of the residual overvoltage element - 59N
Fun-F59N_S2.ai
1
Block 74VT
(ON
Inhibit
)
&
RESET
t
UE>>
0T
TRIPPING MATRIX
(LED+RELAYS)
t
UE>>def
Start U
E
>>
U
E
>>ST-K
U
E
>>ST-L
Start U
E
>>
Trip U
E
>>
U
E
>>TR-K
U
E
>>TR-L
Trip U
E
>>
Trip U
E
>>
BF Enable (ONEnable)
UE>>BF
towards BF logic
&
Block1 U
E
>>
74VT ext.
U
E
>> BF
&
&
&
Enable (ONEnable)
Block1 input (ONBlock)
Block1
Block1
Block1
Binary input INx
T0
Logic
INx
t
ON
INx
t
ON
INx
t
OFF
T0
n.o.
n.c.
INx
t
OFF
&
Enable (ONEnable)
74VTint59N
74VText.
Binary input INx
T0
Logic
INx
t
ON
INx
t
ON
INx
t
OFF
T0
n.o.
n.c.
INx
t
OFF
t
UE>>RES
T0
t
UE>>RES
U
E
U
E
>>def
&
State
U
E
U
E
>>def
&
(ON
Inhibit
)
UE> Inhibition
UE>disbyUE>>
Logic diagram concerning the second threshold (UE>>) of the residual overvoltage element - 59N

Table of Contents

Related product manuals