EasyManua.ls Logo

Thytronic Pro-N NVA100X-D

Thytronic Pro-N NVA100X-D
376 pages
To Next Page IconTo Next Page
To Next Page IconTo Next Page
To Previous Page IconTo Previous Page
To Previous Page IconTo Previous Page
Loading...
FUNCTION CHARACTERISTICS
209
NVA100X-D - Manual - 02 - 2016
Fun_67NS3-3.ai
ONEnable IED>>> directional earth fault
&
BF Enable (ONEnable)
I
ED>>>
BF
towards BF logic
I
ED>>>
BF
&
Trip IED>>>
A
B
Non-directional
(from 74VT)
Non-directional
A = Directional
B = Non-directional
IED>>> Enable
1
CB-State
Block1, Block2, Block4
T 0
t
CLP>>>
IEDCLP>>>Mode
t
EDCLP>>
>
A
B
C
A =“1”A =“0 or OFF”
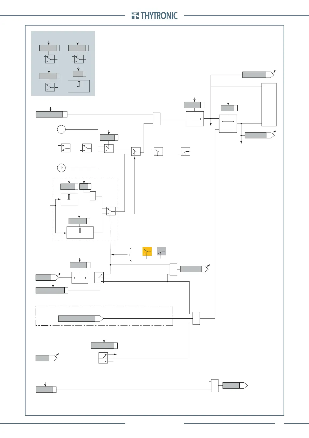
IED>>> overcurrent directional element (67N) block diagram (sheet 4)
A = ON - Change setting within CLP
B = OFF - CLP disabled
C = ON - Element blocking within CLP
1
CLP IED>>>
I
E2
I
EDCLP>>>def
I
EDCLP
>>>def
&
State
I
ED>>>def
I
ED>>>def
Block by 74VT (ONBlock)
Internal or external
OFF
74VT
74VTint/ext67N
t
ED>>>RES
T0
RESET
t
ED>>>def
0T
t
ED>>>RES
Start IED>>>
Trip IED>>>
TRIPPING MATRIX
(LED+RELAYS)
IED>>>TR-K
IE>>>TR-L
IED>>>ST-L
IED>>>ST-K
t
ED>>>def
A
B
(sheet 1)
D =“modulo”
Mode67N
C
D
D =“modulo” C =“proiezione”
C
D
M
(sheet 2)
C =“proiezione”
I
E2
Common configurations
Insens-Zone
OFF
ON
U
E
U
EC
3Votype67N
3V
o
I
I∙cos
Mode67N
M∙threshold
M
Ground directional overcurrent (67N) - Third element logic diagram (IED>>>) (sheet 3 of 4)

Table of Contents

Related product manuals