EasyManua.ls Logo

Thytronic Pro-N NVA100X-D

Thytronic Pro-N NVA100X-D
376 pages
To Next Page IconTo Next Page
To Next Page IconTo Next Page
To Previous Page IconTo Previous Page
To Previous Page IconTo Previous Page
Loading...
210
NVA100X-D - Manual - 02 - 2016
FUNCTION CHARACTERISTICS
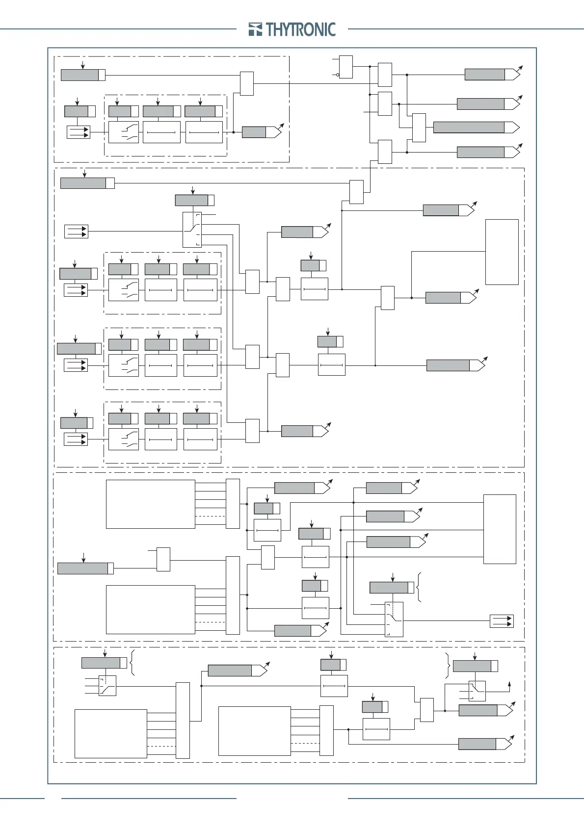
Ground directional overcurrent(67N) - Logic diagram of the blocking signals concerning the third element (IED>>>) (sheet 4 of 4)
Pilot wire output
TRIPPING MATRIX
(LED+RELAYS)
ModeBLOUT1
A
B
C
D
BLOUT1
Block2 output
1
t
F-IPh
t
F-IPh/IE
t
F-IE
ST-Iph BLK2
ST-IE BLK2
T0
t
F-IPh/IE
T0
t
F-IPh
T0
t
F-IE
BLK2OUT-Iph
BLK2OUT-Iph/IE
BLK2OUT-IE
A = OFF
B = ON IPh
C = ON IPh/IE
D = ON IE
BLK2OUT-IPh-K
BLK2OUT-IPh-L
BLK2OUT-IPh/IE-K
BLK2OUT-IPh/IE-L
BLK2OUT-IE-K
BLK2OUT-IE-L
Binary input INx
T0
Logic
INx
t
ON
INx
t
ON
INx
t
OFF
T0
n.o.
n.c.
INx
t
OFF
Binary input INx
T0
Logic
INx
t
ON
INx
t
ON
INx
t
OFF
T0
n.o.
n.c.
INx
t
OFF
Binary input INx
T0
Logic
INx
t
ON
INx
t
ON
INx
t
OFF
T0
n.o.
n.c.
INx
t
OFF
Binary input INx
T0
Logic
INx
t
ON
INx
t
ON
INx
t
OFF
T0
n.o.
n.c.
INx
t
OFF
Block2 IPh
Block2 IPh/IE
ModeBLIN1
T0
t
B-Iph
67NS3_BL-diagram.ai
1
1
1
1
t
B-Iph
t
B-IE
BLK1IED>>>
BLK4IN IED>>>
&
&
&
BLK2IN IED>>>
&
&
Enable (ONEnable)
IED>>>BLK1
Block2 input enable (ONEnable)
Pilot wire input
&
IED>>>BLK2IN
Block1
BLK2IN-Iph
Start I
ED
>>>
Trip I
ED
> >>
Iph Block2
IE Block2
BLK2IN-IE
tB timeout
Block2 input
tB-K
tB-L
Block1
FROM EARTH FAULT PROTECTIONS
FROM ANY PROTECTIONS
FROM PHASE PROTECTIONS
OFF
ON IPh
ON IPh/IE
ON IE
BLIN1
Block4
Block1
T0
t
B-IE
Block2 IE
1
Block1, Block2, Block4
TRIPPING MATRIX
(LED+RELAYS)
1
1
I
ED
>>> Block2 OUT
IED>>>BLK2OUT
&
Block2 output
(ONEnable)
Start I
ED
>>>
All other BLK2OUT outputs
of ground elements
(see BLK2OUT chapter)
1
All BLK2OUT outputs
of phase elements
(see BLK2OUT chapter)
1
Start I
ED
>>>
I
ED
>>> Block4 I/O
IED>>> Block4 OUT
IED>>>BLK4
IED>>>BLK4
t
FI-Iph
ST-IE BLK4
ST-Iph BLK4
1
t
FI-IE
Block4 OUT
T0
t
FI-Iph
T0
t
FI-IE
Block4
Block4
A = IN
B = OFF
C = OUT
B
C
“0”
“0”
A
Block4 enable
A = IN
B = OFF
C = OUT
C
B
A
“0”
“0”
All other BLK4 I/O
of ground elements
(see BLK4 chapter)
1
All BLK4 I/O
of phase elements
(see BLK4chapter)
1

Table of Contents

Related product manuals