EasyManua.ls Logo

Thytronic Pro-N NVA100X-D - Page 244

Thytronic Pro-N NVA100X-D
376 pages
Print Icon
To Next Page IconTo Next Page
To Next Page IconTo Next Page
To Previous Page IconTo Previous Page
To Previous Page IconTo Previous Page
Loading...
244
NVA100X-D - Manual - 02 - 2016
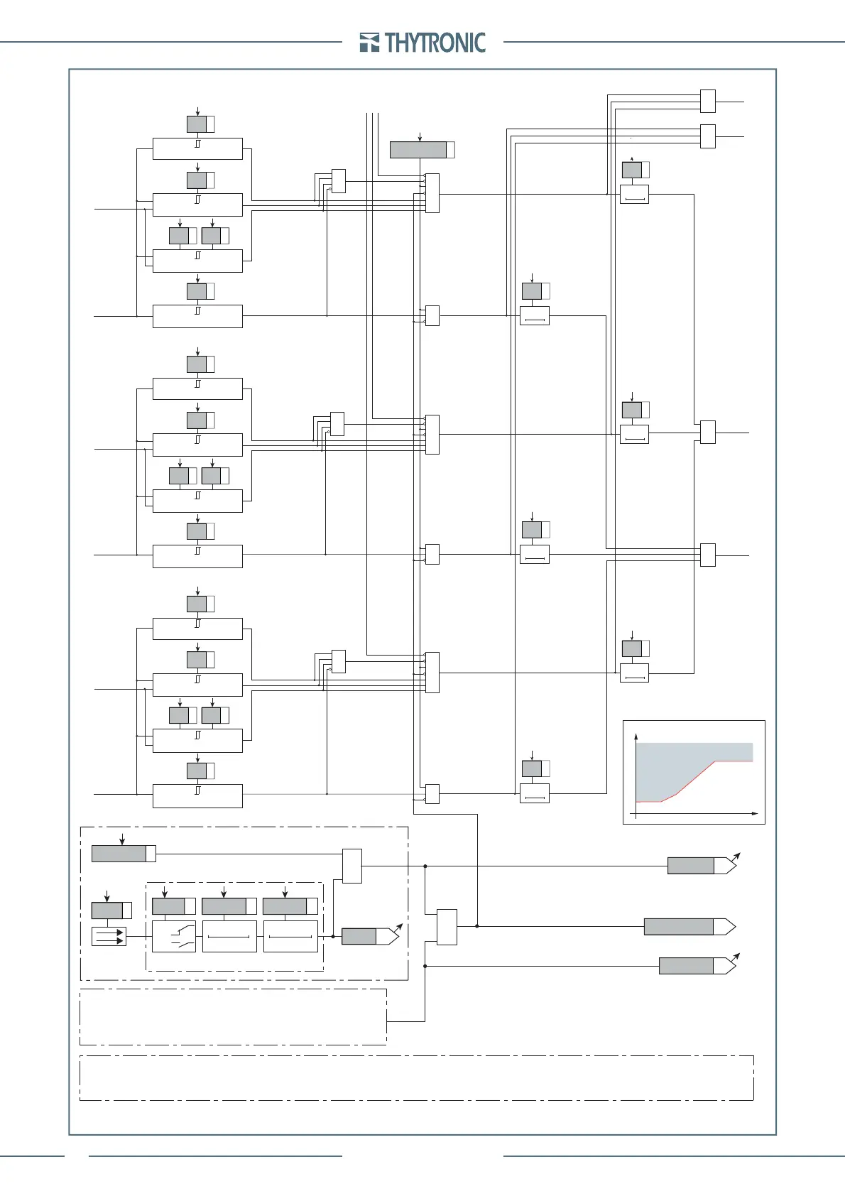
FUNCTION CHARACTERISTICS
Id>
K1
0
T
td>
0
T
td>
0
T
td>
&
≥1
&
&
Biased dual slope percentage characteristic
Logical block
ST Id>>-L1
ST Id>-L1
ST Id>
≥1
≥1
ST Id>>
TR Id>-L1
TR Id>-L2
TR Id>
≥1
TR Id>>
TR Id>-L3
0
T
td>>
TR Id>>-L1
0
T
td>>
TR Id>>-L2
0
T
td>>
TR Id>>-L3
I
d1L1
≥(K1/100)I
SL1
I
d1L1
I
d
>
Id>>
87 Enable=ON
I
d1L1
I
d
>>
K2 Q
I
d1L1
(K2/100)∙I
SL1-Q
I
dL1
I
SL1
Id>
K1
&
&
&
ST Id>>-L2
ST Id>-L2
I
d1L2
≥(K1/100)I
SL2
I
d1L2
I
d
>
Id>>
I
d1L2
I
d
>>
K2 Q
I
d1L2
(K2/100)∙I
SL2-Q
I
dL2
I
SL2
Id>
K1
&
&
&
ST Id>>-L3
ST Id>-L3
I
d1L3
≥(K1/100)I
SL3
I
d1L3
I
d
>
Id>>
I
d1L3
I
d
>>
K2 Q
I
d1L3
(K2/100)∙I
SL3-Q
I
dL3
I
SL3
from saturation detector
NO TRIP
TRIP
Biased dual slope
percentage characteristic
Binary input INx
T0
Logic
INx
t
ON
INx
t
ON
INx
t
OFF
T0
n.o.
n.c.
INx
t
OFF
&
Enable (ONEnable)
87T-BLK1
Block1
Block1
Block1
Vedere diagramma funzionale alla pagina seguente
Block2 output
Vedere diagramma funzionale alla pagina seguente
Block4-in-out
BLK1 87T
BLK4IN 87T
Block4
Block1
1
Block1, Block4

Table of Contents

Related product manuals