EasyManua.ls Logo

Thytronic Pro-N NVA100X-D - Page 251

Thytronic Pro-N NVA100X-D
376 pages
Print Icon
To Next Page IconTo Next Page
To Next Page IconTo Next Page
To Previous Page IconTo Previous Page
To Previous Page IconTo Previous Page
Loading...
FUNCTION CHARACTERISTICS
251
NVA100X-D - Manual - 02 - 2016
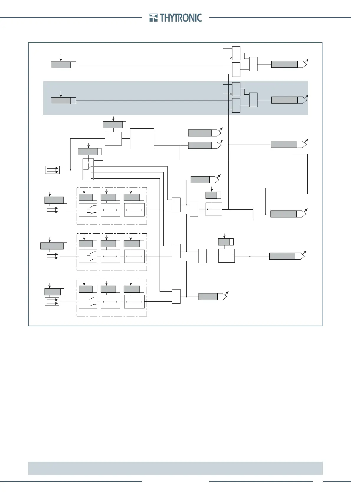
or a LED (tB-K and or tB-K parameters inside Set \ Profi le A(or B) \ Selective block - BLOCK2 \
Selective block IN submenu.
With a setting other than 0.00 s, the t
B-Iph
and t
B-IE
timers may be used to have a backup protection
available against pilot wire short circuit.
[1]
The t
B-Iph
and/or t
B-IE
timers must be adjusted according the following rule (example for t
B-Iph
):
t
B-Iph
= t
F
v
+ ε
t
+ ε
s
where t
F
v
is the value of block output timer related to the downstream relay (example t
F-Iph
), ε
t
is a
chronometric selectivity margin to apply in comparison to the t
B-Iph
time related to the downstream
relay (does not take into account if such margin has been considered for the t
F-Iph
setting), ε
s
is a
safety margin. The chronometric selectivity applied among the t
B-x
times of the relays in accelerated
logic system allows to avoid more the contemporary circuit breaker opening after the clearing of a
fault in a line of concomitant plant to the short-circuit of the pilot wires concerning the same line.
Note 1 In the absence of suitable provisions, a short circuit on a pilot wire causes the block of the receiving relay, so a possible fault (contemporary or
following) inside the protected zone, cannot be cleared that being the case the protective relay blocked.
Binary input INx
T0
Logic
INx
t
ON
INx
t
ON
INx
t
OFF
T0
n.o.
n.c.
INx
t
OFF
Binary input INx
T0
Logic
INx
t
ON
INx
t
ON
INx
t
OFF
T0
n.o.
n.c.
INx
t
OFF
Binary input INx
T0
Logic
INx
t
ON
INx
t
ON
INx
t
OFF
T0
n.o.
n.c.
INx
t
OFF
Block2 IPh
Block2 IPh/IE
ModeBLIN1
PulseBLIN1
T0
t
B-Iph
T0
Pilot wire
Diagnostic
Pulse BLIN1
Block2-in-diagram.ai
1
1
1
1
t
B-Iph
t
B-IE
BLK2IN xx
&
&
&
Pilot wire input
No pulses
Permanently “ON”
xxBLK2IN
BLK2IN-Iph
Start xx
Trip xx
BLK2IN I>
&
&
Block2 input enable (I> element)
Block2 input enable (I>, I>>, I>>>, IE>, IE>>, IE>>>, elements)
(ONEnable)
&
I>BLK2IN
Start I>
Trip I>
Iph Block2
IE Block2
BLK2IN-IE
tB timeout
FROM EARTH FAULT PROTECTIONS
FROM ANY PROTECTIONS
FROM PHASE PROTECTIONS
OFF
ON IPh
ON IPh/IE
ON IE
BLIN1
T0
t
B-IE
Block2 IE
Breaked BLIN1
TRIPPING MATRIX
(LED+RELAYS)
1
1
Shorted BLIN1
Logic diagram concerning the selective block intput - Block2 input

Table of Contents

Related product manuals