EasyManua.ls Logo

Thytronic Pro-N NVA100X-D - Page 271

Thytronic Pro-N NVA100X-D
376 pages
Print Icon
To Next Page IconTo Next Page
To Next Page IconTo Next Page
To Previous Page IconTo Previous Page
To Previous Page IconTo Previous Page
Loading...
FUNCTION CHARACTERISTICS
271
NVA100X-D - Manual - 02 - 2016
One input supervision
By means of the right sizing of a resistor, the trip circuit supervision may be performed even with
lower control voltage (e.g. when the control voltage is less than 36 V required for driving of two
binary inputs, typically U
AUX
= 24V).
The binary input is connected to the trip and an external resistor must be connected the 52b auxiliary
contact.
The fault condition of the trip circuit is detected by binary input power down.
With healthy circuit and TRIP contact closed, the binary input is feed across the 52a path (CB closed)
or across the resistor R and 52b path (CB open).
When the TRIP contact turns ON, the binary input becomes short-circuited; to avoid untimely opera-
tions the previous condition are checked every 80 ms and the output is issued after a 40 s delay in
order to allow the fault clearing and the consequent reset of the TRIP protection.
Outputs are reset to zero after 6 s from the TRIP contact open.
[1]
Note 1 The trip contact (TRIP) of the protection relays must be set with automatic reset (No-latched operating mode).
TCS1.ai
TRIP
R
+UAUX
-UAUX
52a 52b
52
Pro-N
Binary input INx
TCS1
Towards 74TCS logic
Trip circuit supervision with one binary inputs - 74TCS
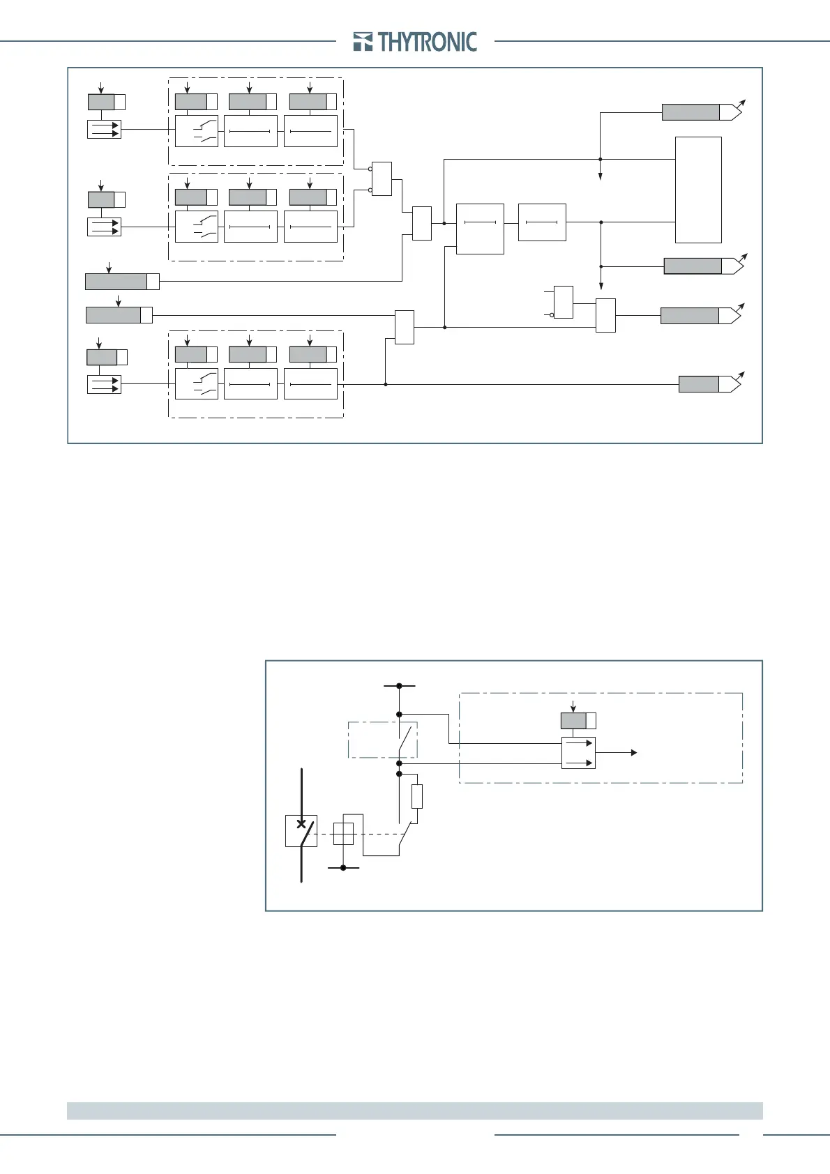
Fun-74TCS2.ai
0
2 s
T
0
0.6 s
T
&
&
Enable (ONEnable)
74TCS Enable
RESET
TRIPPING MATRIX
(LED+RELAYS)
Start 74TCS
Trip 74TCS
&
&
Block1 input (ONBlock)
BLK1 74TCS
Block1
Start 74TCS 74TCS-ST-K
74TCS-ST-L
74TCS-TR-K
74TCS-TR-L
Start 74TCS
Trip 74TCS
Trip 74TCS
TCS1
TCS2
&
Enable (ONEnable)
74TCS-BLK1
Block1
T
Binary input INx
T0
Logic
INx
t
ON
INx
t
OFF
INx
t
ON
T0
n.o.
n.c.
INx
t
OFF
T
Binary input INx
T0
Logic
INx
t
ON
INx
t
OFF
INx
t
ON
T0
n.o.
n.c.
INx
t
OFF
T
Binary input INx
T0
Logic
INx
t
ON
INx
t
OFF
INx
t
ON
T0
n.o.
n.c.
INx
t
OFF
Logic diagram concerning the trip circuit supervision with two binary inputs - 74TCS

Table of Contents

Related product manuals