EasyManua.ls Logo

Thytronic Pro-N NVA100X-D - Page 272

Thytronic Pro-N NVA100X-D
376 pages
Print Icon
To Next Page IconTo Next Page
To Next Page IconTo Next Page
To Previous Page IconTo Previous Page
To Previous Page IconTo Previous Page
Loading...
272
NVA100X-D - Manual - 02 - 2016
FUNCTION CHARACTERISTICS
How to calculate resistor
Both the following conditions must be fi lled:
The circuit breaker coil must no be powered when the CB is open and an open command is is-
sued;
The binary input is energized when the trip contact open.
If the circuit breaker is just open an unnecessary excitation must be avoided; the most critical
event arises when the TRIP contact is closed (e.g. manual or test command), so with minimal
series resistance. To avoid an unwanted excitation the series resistance must be higher than a
minimum value defi ned as:
R
min
= R
TC
· (U
AUX
- U
TCmin
) / U
TCmin
where:
U
TCmin
: minimum coil excitation voltage
U
AUX
: auxiliary voltage
R
TC
: coil resistance
To energize the binary input circuit when the TRIP contact and CB open, the series resistance
must be lowerer than a maximum value defi ned as:
R
max
= [(U
AUX
- U
DIGmin
) / I
DIG
] - R
TC
where:
U
DIGmin
: minimum binary input excitation voltage (18 V)
U
AUX
: auxiliary voltage
R
TC
: coil resistance
I
DIG
: binary input excitation current (0.003 A)
To satisfy the above requirements, the R value must be chosen between the R
min
and R
max
values;
typically the normalized value nearest the arithmetic mean:
R = (R
min
+ R
max
) / 2
The power dissipated by the R resistor is:
P
R
= R
· I
2
= R
· [U
AUX
/ (R + R
TC
)]
2
Example
U
AUX
= 110 Vcc (auxiliary voltage)
P
TC
= 50 W (coil power)
R
TC
= U
AUX
2
/ P
TC
= 242 Ω (coil resistance)
U
TCmin
= 77 V (minimum coil excitation voltage = 70% U
AUX
)
U
DIGmin
= 18 V (minimum binary input excitation voltage)
I
DIG
= 0.003 A (binary input excitation current)
R
min
= R
TC
· (U
AUX
- U
TCmin
) / U
TCmin
= 242 · (110 - 77) / 77 = 103.7 Ω
R
max
= [(U
AUX
- U
DIGmin
) / I
DIG
] - R
TC
= [(110 - 18) / 0.003] - 242 = 30425 Ω
R = (R
min
+ R
max
) / 2 = (103.7 + 30425) / 2 = 15264 Ω ~ 15 k Ω
P
R
(Power dissipated by the R resistor) = U
AUX
2
/R = 110
2
/ 15000 = 0.8 W
[1]
Note1 In order to limit the temperature of the resistor it should be oversized (at least double the power - 2 W)
1)
2)
1)
2)
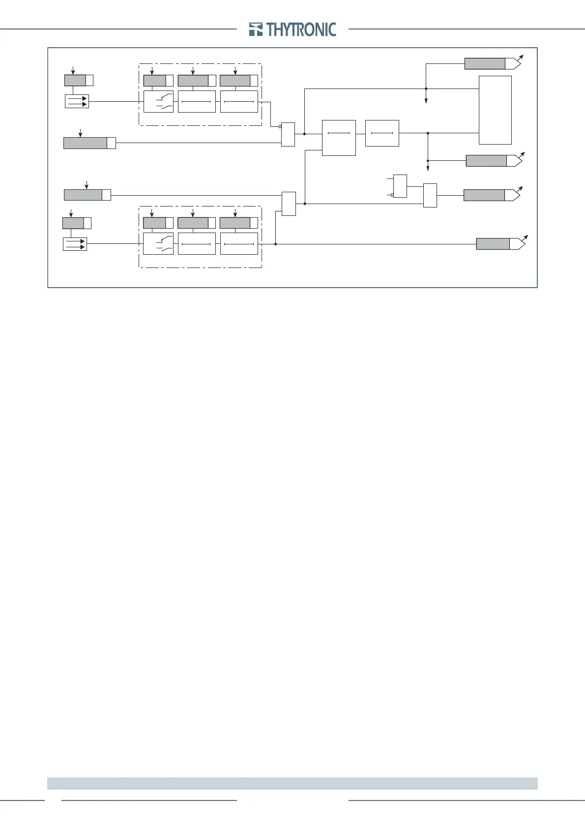
Fun-74TCS1.ai
0
40 s
T
0
6 s
T
&
Enable (ONEnable)
74TCS Enable
RESET
TRIPPING MATRIX
(LED+RELAYS)
&
&
Block1 input (ONBlock)
Block1
Start 74TCS
Start 74TCS
Trip 74TCS
Trip 74TCS
TCS1
&
Enable (ONEnable)
Block1
Binary input INx
T0
Logic
INx
t
ON
INx
t
ON
INx
t
OFF
T0
n.o.
n.c.
INx
t
OFF
Binary input INx
T0
Logic
INx
t
ON
INx
t
ON
INx
t
OFF
T0
n.o.
n.c.
INx
t
OFF
Start 74TCS
Trip 74TCS
BLK1 74TCS
74TCS-BLK1
74TCS-ST-K
74TCS-ST-L
74TCS-TR-K
74TCS-TR-L
Logic diagram concerning the trip circuit supervision with one binary inputs - 74TCS

Table of Contents

Related product manuals