EasyManua.ls Logo

Thytronic Pro-N NVA100X-D - Differential protection for motor

Thytronic Pro-N NVA100X-D
376 pages
Print Icon
To Next Page IconTo Next Page
To Next Page IconTo Next Page
To Previous Page IconTo Previous Page
To Previous Page IconTo Previous Page
Loading...
APPENDIX
371
NVA100X-D - Manual - 02 - 2016
Note *: when 87NHIZ is enabled, the 50N/51N/67N functions can not be
used with residual current (IE) measured directly
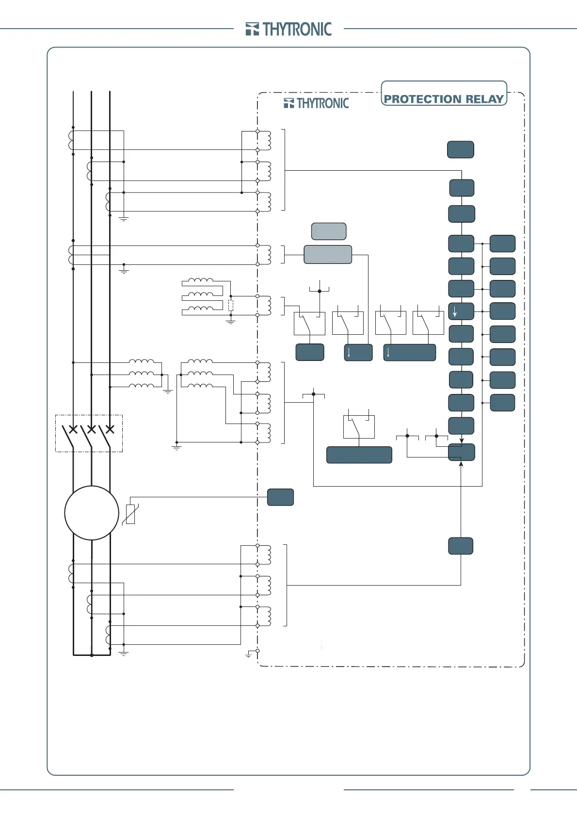
Differential protection for motor
NOTE
- Incoming currents to the protected transformer must match to the the reference current inputs of the relay, with current direction leaving the
protected transformer must match current output from the current inputs of the relay.
- Incoming currents in the reference terminals of of the relay current inputs are considered positive, the outgoing negative.
- This convention applies to indicate the P1 CTs polarity toward the protected transformer.
L1 L2 L3
P1
S1
S2
P2
I
L1H
I
L2H
I
L3H
A2
A1
A3
A4
A5
A6
P1
S1
S2
P2
I
L1L
I
L2L
I
L3L
BF
74TCS
74CT
74CT
74VT
66
M
NVA100X-D
46
49
50/51
51LR
37
37P
32P
40
C7
C8
I
E2
P1
S1
S2
P2
U
L1
U
L2
U
L3
AN
BN
CN
n
a
nb
nc
B3
B4
B5
B6
B7
B8
C1
C2
C3
C4
C5
C6
B9
B10
dn da
dn
db
dn
dc
(*)
(*) Antiferrorisonance
27
55
27V1
59V2
81O
81U
59
87M
I
ECL
I
ECH
26
85NHIZ
*
U
L1
, U
L2
, U
L3
I
L1L
, I
L2L
, I
L3L
I
L1H
, I
L2H
, I
L3H
I
ECH
I
ECL
50N/51N(Comp)
U
EC
59N
U
E
U
E
U
EC
U
EC
67N
U
E
U
EC
I
ECH
I
ECL
67N(Comp)
50N.2/51N.2

Table of Contents

Related product manuals