EasyManua.ls Logo

Thytronic Pro-N NVA100X-D - Page 372

Thytronic Pro-N NVA100X-D
376 pages
Print Icon
To Next Page IconTo Next Page
To Next Page IconTo Next Page
To Previous Page IconTo Previous Page
To Previous Page IconTo Previous Page
Loading...
372
NVA100X-D - Manual - 02 - 2016
APPENDIX
NVA100X-D
L1 L2 L3
P1
S1
S2
P2
C2
C1
C3
C4
C5
C6
P1
S1
S2
P2
I
L1H
I
L2H
I
L3H
P1
S1
S2
P2
P1
S1
S2
P2
G
C7
C8
I
E2
P1
S1
S2
P2
U
L1
U
L2
U
L3
n
a
nb
nc
B3
B4
B5
B6
B7
B8
AN
BN
CN
U
L1
, U
L2
, U
L3
I
L1H
, I
L2H
, I
L3H
I
L1L
, I
L2L
, I
L3L
U
E
U
EC
U
E
U
EC
I
ECH
I
ECH
I
ECL
74CT
81U
50/51
81O
59
27V1
27
40
51V
46
49
47
37P
37
21
87T
59V2
74TCS
BF
26
*
64REF
U
EC
U
E
I
ECH
I
ECL
50N/51N(Comp)
50N.1/51N.2
87NHIZ
50N.1/51N.1
59N
67N
67N(Comp)
74VT
74CT
I
L1L
I
L2L
I
L3L
A2
A3
A4
A5
A6
A7
A8
I
E1
B9
B10
dn da
dn
db
dn
dc
(*)
(*) Antiferrorisonance
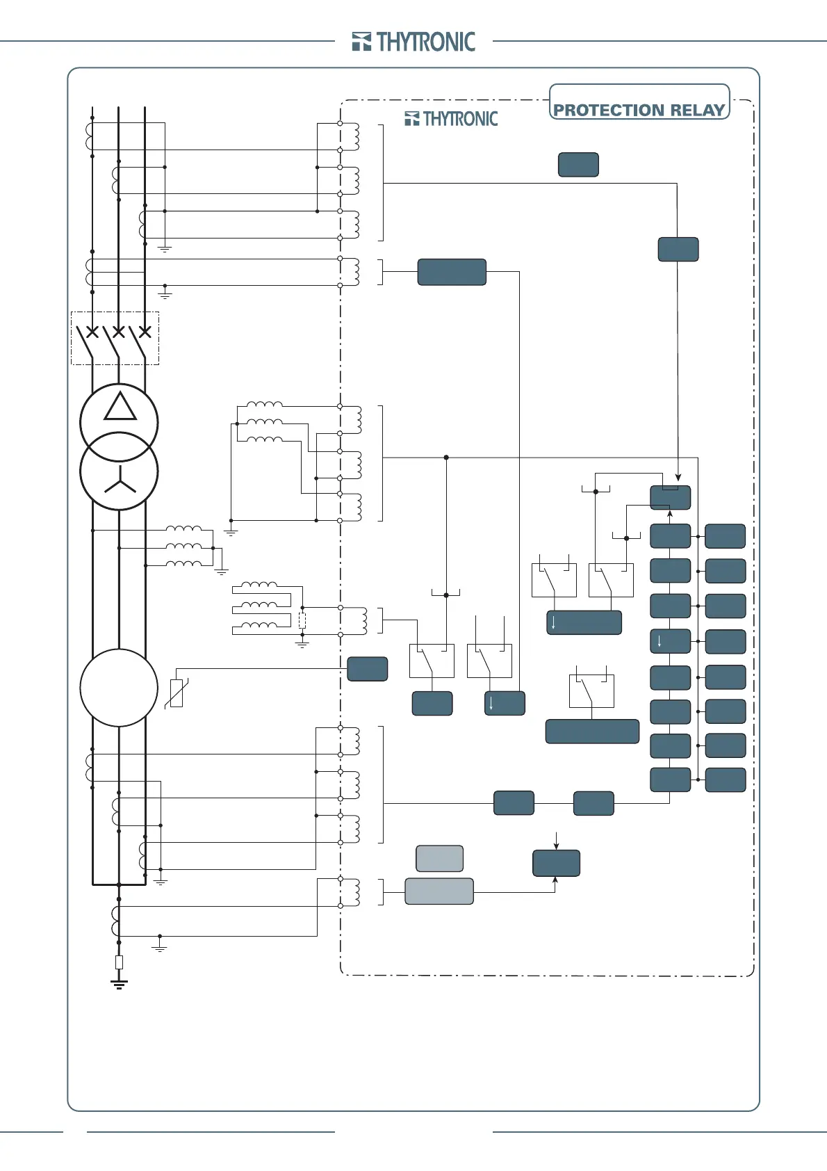
Differential protection of Transformer/generator
NOTE
- To current with incoming direction in the protected component must match incoming current in the reference terminals of of the relay current inputs ,
while to current having a outgoing direction from the protected component must match output current in the reference terminals of the current inputs
of the relay.
- The input current in the reference terminals of of the relay current inputs of the are considered positive, negative for outgoing ones.
- This Convention applies: the CTs polarity P1 to the protected component.
Note *: when 87NHIZ is enabled, the 50N/51N/67N functions
can not be used with residual current (IE) measured directly

Table of Contents

Related product manuals