EasyManua.ls Logo

Thytronic Pro-N NVA100X-D - Page 373

Thytronic Pro-N NVA100X-D
376 pages
Print Icon
To Next Page IconTo Next Page
To Next Page IconTo Next Page
To Previous Page IconTo Previous Page
To Previous Page IconTo Previous Page
Loading...
APPENDIX
373
NVA100X-D - Manual - 02 - 2016
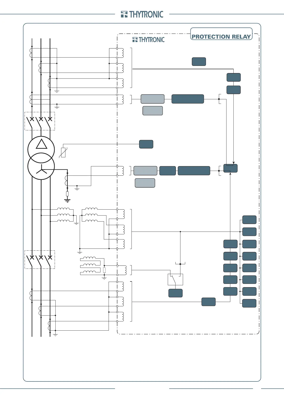
Differential protection for tho winding transformers
NOTE
- Incoming currents to the protected transformer must match to the the reference current inputs of the relay, with current direction leaving the
protected transformer must match current output from the current inputs of the relay.
- Incoming currents in the reference terminals of of the relay current inputs are considered positive, the outgoing negative.
- This convention applies to indicate the P1 CTs polarity toward the protected transformer.
Note *: when 87NHIZ is enabled, the 50N/51N/67N functions can not be
used with residual current (IE) measured directly
NVA100X-D
L1 L2 L3
C2
C1
C3
C4
C5
C6
P1
S1
S2
P2
I
L1H
I
L2H
I
L3H
C7
C8
I
E2
P1
S1
S2
P2
U
L1
, U
L2
, U
L3
I
L1H
, I
L2H
, I
L3H
I
L1L
, I
L2L
, I
L3L
I
ECH
I
ECL
74CT
81U
50/51
81O
59
27V1
27
46
49
47
37
87T
59V2
74TCS
BF
26
*
87NHIZ.2
74VT
74CT
P1
S1
S2
P2
I
L1L
I
L2L
I
L3L
A2
A3
A4
A5
A6
50/51
50N/51N(Comp)
50N.2/51N.2
*
87NHIZ.1
64REF
50N/51N(Comp)
50N.1/51N.1
A7
A8
I
E1
P1
S1
S2
P2
U
L1
U
L2
U
L3
AN
BN
CN
n
a
nb
nc
B3
B4
B5
B6
B7
B8
B9
B10
dn da
dn
db
dn
dc
(*)
U
EC
U
E
59N
(*) Antiferrorisonance

Table of Contents

Related product manuals