EasyManua.ls Logo

Valeo REVO-E - Page 50

Valeo REVO-E
88 pages
Print Icon
To Next Page IconTo Next Page
To Next Page IconTo Next Page
To Previous Page IconTo Previous Page
To Previous Page IconTo Previous Page
Loading...
604
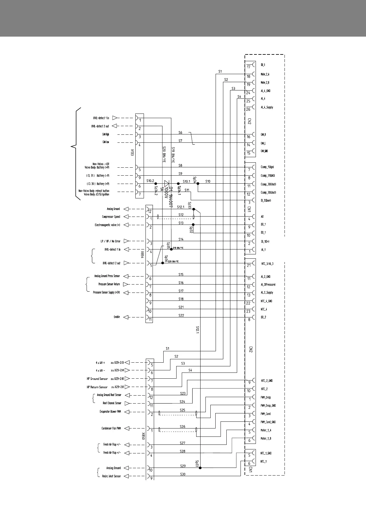
REVO-E Heat pump 6 Wiring plan
Fig. 601 Wiring diagram for REVO-E HP (Sheet 3)
SC600
Interface X133:6
with =<10A Fuse
SC620

Table of Contents

Other manuals for Valeo REVO-E

Related product manuals